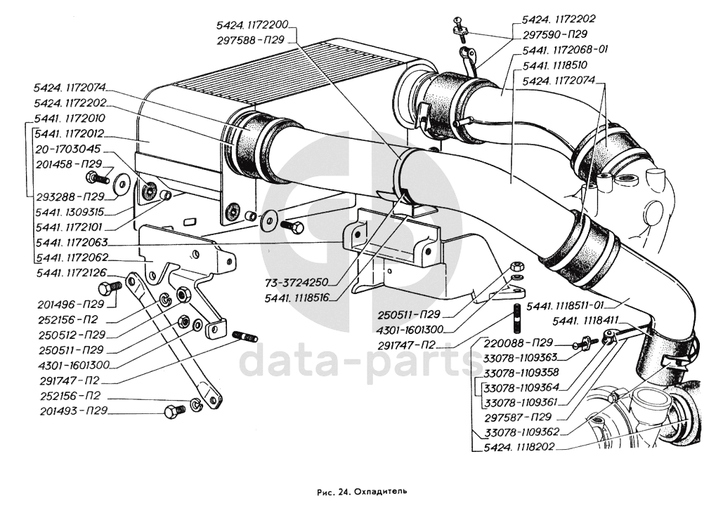
Охладитель ГАЗ-3309

None
73-3724250
Прокладка
Кол-во
0
?
None
5441-1172126
Распорка
Кол-во
0
?
None
5441-1118511-01
Патрубок нагнетательный
Кол-во
0
?
None
5441-1172068-01
Патрубок выходной
Кол-во
0
?
None
5441-1172010
Охладитель с кронштейнами
Кол-во
0
?
None
5441.1172012
Охладитель
Кол-во
0
?
None
5441-1172062
Кронштейн передний
Кол-во
0
?
None
5441-1172063
Кронштейн задний
Кол-во
0
?
None
5441-1172101
Втулка
Кол-во
0
?
None
201493-П29
Болт М10-6gх16 ОСТ 37.001.123-96
Кол-во
0
?
None
201496-П29
Болт М10-6gх22 ОСТ 37.001.123-96
Кол-во
0
?
None
4301-1601300
Шайба пружинная коническая
Кол-во
0
?
None
250511-П29
Гайка М8х1-6Н ОСТ 37.001.124-93
Кол-во
0
?
None
220088-П29
Винт М5-6gх35
Кол-во
0
?
None
291747-П2
Шпилька М8х1-4hх22
Кол-во
0
?
None
20-1703045
Подушка
Кол-во
0
?
None
293288-П29
Шайба 8,5
Кол-во
0
?
None
5441-1118510
Труба нагнетательная
Кол-во
0
?
None
5424.1172200
Хомутик 70
Кол-во
0
?
None
33078-1109364
Фиксатор
Кол-во
0
?
None
33078-1109362
Упор
Кол-во
0
?
None
33078-1109358
Ползунок в сборе
Кол-во
0
?
None
33078-1109361
Ползунок
Кол-во
0
?
None
297590-П29
Лента стяжная 10х445
Кол-во
0
?
None
33078-1109363
Держатель
Кол-во
0
?
None
5424.1172202
Хомутик 81
Кол-во
0
?
None
297588-П29
Лента стяжная 10х380
Кол-во
0
?
None
5424.1172074
Шланг соединительный
Кол-во
0
?
None
5441-1118516
Держатель
Кол-во
0
?
None
252156-П2
Шайба 10Л ОСТ 37.001.115-75
Кол-во
0
?
None
250512-П29
Гайка М10-6Н ОСТ 37.001.124-93
Кол-во
0
?
В наличии
10 ₽
None
297587-П29
Лента 10х320
Кол-во
0
?
None
5424.1118202
Хомутик 61
Кол-во
0
?
None
5441-1309315
Экран охладителя
Кол-во
0
?
None
5441-1118411
Шланг соединительный
Кол-во
0
?
None
201458-П29
Болт М8-6gх25 ОСТ 37.001.123-96
Кол-во
0
?
В наличии
10 ₽
Есть готовая заявка? Отправьте ее нам!
Если у вас уже есть список необходимых запчастей, загрузите файл с ним или укажите артикулы и названия запчастей в поле Комментарий, а также оставьте свои контактные данные. В течение рабочего дня мы оценим вашу заявку и отправим вам коммерческое предложение.
Отдел продаж

Если у вас уже есть готовая заявка на запасные части, то просто прикрепите файл с ней либо в поле «Комментарии» напишите артикулы и названия необходимых вам запчастей и оставьте контактные данные.

В течение рабочего дня мы выполним расчёт по вашей заявке и направим вам коммерческое предложение.

Только один файл.
Ограничение 128 МБ.
Допустимые типы: txt, rtf, pdf, doc, docx, odt, ppt, pptx, odp, xls, xlsx, ods.
пример: 89511234567 или +79511324567
Отправляя форму вы подтверждаете согласие с политикой обработки персональных данных.