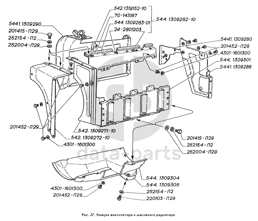
Кожухи вентилятора и масляного радиатора ГАЗ-3309

None
542.1319152-10
Труба воздухозаборная
Кол-во
0
?
None
4301-1601300
Шайба пружинная коническая
Кол-во
0
?
None
252154-П2
Шайба 6Л ОСТ 37.001.115-75
Кол-во
0
?
None
201415-П29
Болт М6-6gх10 ОСТ 37.001.123-96
Кол-во
0
?
None
70-143187
Втулка
Кол-во
0
?
None
24-2801203
Заглушка
Кол-во
0
?
None
220103-П29
Винт М6-6gх12 ОСТ 37.001.127-81
Кол-во
0
?
None
201452-П29
Болт М8-6gх12 ОСТ 37.001.123-96
Кол-во
0
?
None
544-1309301
Дефлектор левый
Кол-во
0
?
None
544-1309308
Заглушка
Кол-во
0
?
None
5441-1309280
Кожух вентилятора задний
Кол-во
0
?
None
5441-1309290
Кожух верхний
Кол-во
0
?
None
544-1309304
Кожух нижний
Кол-во
0
?
None
542.1309271-10
Кожух радиатора задний
Кол-во
0
?
None
542.1309272-10
Кожух радиатора передний
Кол-во
0
?
None
5441-1309288
Основание заднего кожуха
Кол-во
0
?
None
544-1309283-01
Пластина
Кол-во
0
?
None
544-1309282-10
Пластина в сборе
Кол-во
0
?
None
252004-П29
Шайба 6 ОСТ 37.001.144-96
Кол-во
0
?
Есть готовая заявка? Отправьте ее нам!
Если у вас уже есть список необходимых запчастей, загрузите файл с ним или укажите артикулы и названия запчастей в поле Комментарий, а также оставьте свои контактные данные. В течение рабочего дня мы оценим вашу заявку и отправим вам коммерческое предложение.
Отдел продаж

Если у вас уже есть готовая заявка на запасные части, то просто прикрепите файл с ней либо в поле «Комментарии» напишите артикулы и названия необходимых вам запчастей и оставьте контактные данные.

В течение рабочего дня мы выполним расчёт по вашей заявке и направим вам коммерческое предложение.

Только один файл.
Ограничение 128 МБ.
Допустимые типы: txt, rtf, pdf, doc, docx, odt, ppt, pptx, odp, xls, xlsx, ods.
пример: 89511234567 или +79511324567
Отправляя форму вы подтверждаете согласие с политикой обработки персональных данных.