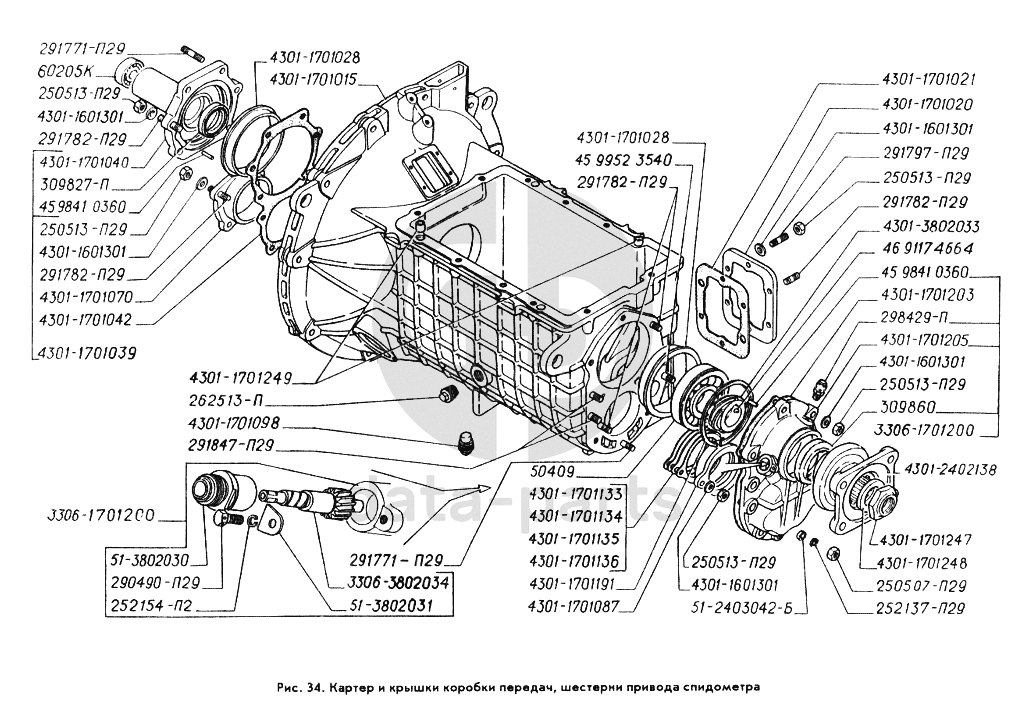
Картер и крышки коробки передач, шестерни привода спидометра ГАЗ-3309

None
252137-П2
Шайба 12.ОТ ОСТ 37.001.115-75
Кол-во
109
?
None
4301-1701247
Гайка фланца
Кол-во
1
?
В наличии
625 ₽
None
4301-1701028
Гнездо подшипника
Кол-во
2
?
None
4301-1701087
Гнездо подшипника
Кол-во
1
?
None
4301-1701015
Картер коробки передач
Кол-во
1
?
None
4301-1701191
Кольцо стопорное
Кол-во
2
?
None
4301-1701070
Крышка
Кол-во
1
?
None
4301-1701205
Крышка задняя
Кол-во
1
?
None
3306-1701200
Крышка задняя в сборе
Кол-во
1
?
None
4301-1701020
Крышка люка картера
Кол-во
1
?
None
4301-1701249
Втулка установочная
Кол-во
4
?
None
290490-П29
Болт М6-6gх12
Кол-во
1
?
None
4301-1601301
Шайба 10х20 коническая
Кол-во
81
?
None
45 9952 3540
Шпилька М12х1,25-4hх32
Кол-во
0
?
None
250513-П29
Гайка М10х1-6Н
Кол-во
40
?
None
51-2403042-Б
Втулка разжимная шпильки полуоси заднего моста
Кол-во
4
?
None
46 9117 4664
Шарик Б 6,35-100
Кол-во
0
?
None
252154-П2
Шайба 6Л ОСТ 37.001.115-75
Кол-во
96
?
None
250507-П29
Гайка М12х1,25-6Н
Кол-во
4
?
None
51-3802030
Штуцер гибкого вала
Кол-во
1
?
None
298429-П
Сапун в сборе К1/8"
Кол-во
1
?
В наличии
120 ₽
None
262513-П
Пробка КГ 3/4"
Кол-во
0
?
None
4301-1701040
Крышка подшипника
Кол-во
1
?
None
4301-1701039
Крышка подшипника первичного вала в сборе
Кол-во
1
?
None
51-3802031
Стопор
Кол-во
1
?
None
4301-2402138
Фланец с отражателем
Кол-во
1
?
None
4301-1701248
Шайба
Кол-во
1
?
None
3306-3802034
Шестерня привода спидометра ведомая
Кол-во
1
?
None
4301-3802033
Шестерня привода спидометра ведущая
Кол-во
1
?
None
291782-П29
Шпилька М10х(1,5-Сп/1-4h)х24 ОСТ 37.001.180-96
Кол-во
27
?
None
291797-П29
Шпилька М10х(1,5-Сп/1-4h)х30 ОСТ 37.001.180-96
Кол-во
8
?
None
291771-П29
Шпилька М10х1-4hх38
Кол-во
7
?
None
291847-П29
Шпилька М12х(1,75-Сп/1,25-4h)х32 ОСТ 37.001.180-96
Кол-во
3
?
None
4301-1701134
Прокладка регулировочная толщиной 0,8 мм
Кол-во
1
?
None
4301-1701133
Прокладка регулировочная толщиной 0,6 мм
Кол-во
1
?
None
4301-1701136
Прокладка регулировочная толщиной 0,3 мм
Кол-во
4
?
None
309827-П
Манжета
Кол-во
1
?
под заказ
цена по запросу
None
309860
Манжета
Кол-во
1
?
None
50409
Подшипник ГОСТ 520-89
Кол-во
1
?
None
60205К
Подшипник (покупная деталь)
Кол-во
1
?
None
4301-1701098
Пробка магнитная
Кол-во
1
?
None
4301-1701042
Прокладка
Кол-во
1
?
None
4301-1701203
Прокладка
Кол-во
1
?
None
4301-1701021
Прокладка крышки люка
Кол-во
1
?
None
4301-1701135
Прокладка регулировочная толщиной 0,1 мм
Кол-во
3
?
None
45 9841 0360
Штифт 4х20
Кол-во
0
?
Есть готовая заявка? Отправьте ее нам!
Если у вас уже есть список необходимых запчастей, загрузите файл с ним или укажите артикулы и названия запчастей в поле Комментарий, а также оставьте свои контактные данные. В течение рабочего дня мы оценим вашу заявку и отправим вам коммерческое предложение.
Отдел продаж

Если у вас уже есть готовая заявка на запасные части, то просто прикрепите файл с ней либо в поле «Комментарии» напишите артикулы и названия необходимых вам запчастей и оставьте контактные данные.

В течение рабочего дня мы выполним расчёт по вашей заявке и направим вам коммерческое предложение.

Только один файл.
Ограничение 128 МБ.
Допустимые типы: txt, rtf, pdf, doc, docx, odt, ppt, pptx, odp, xls, xlsx, ods.
пример: 89511234567 или +79511324567
Отправляя форму вы подтверждаете согласие с политикой обработки персональных данных.