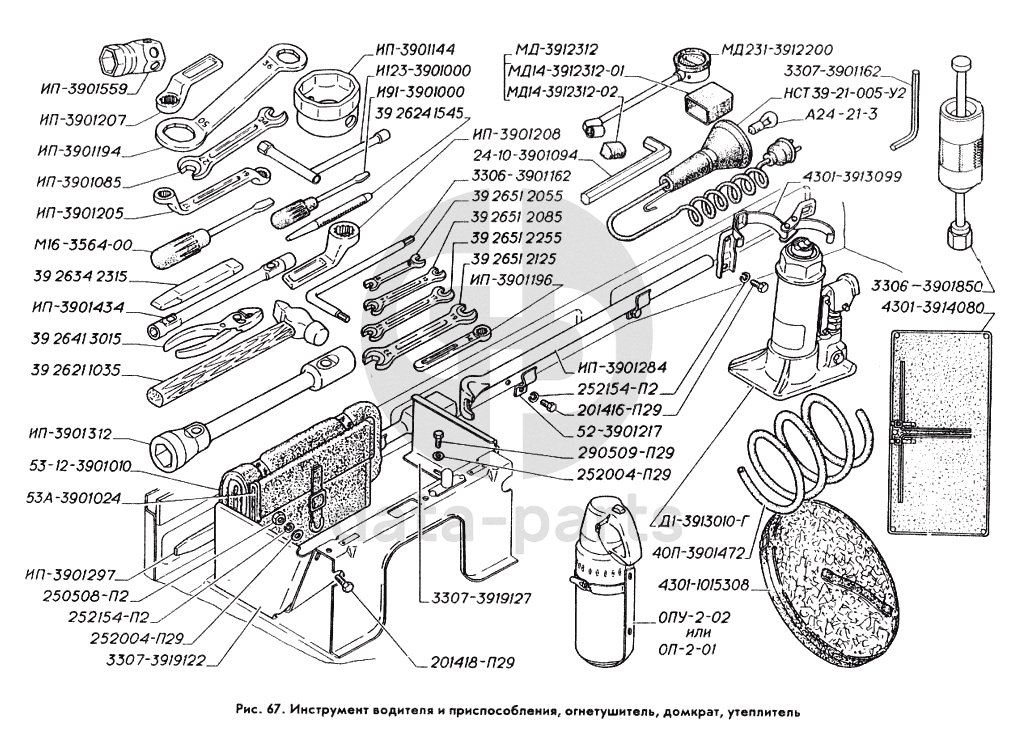
Инструмент водителя и приспособления, огнетушитель, домкрат утеплитель ГАЗ-3309

None
250508-П2
Гайка М6-6Н
Кол-во
2
?
None
52-3901217
Зажим монтажной лопатки
Кол-во
4
?
None
ИП-3901434
Ключ 13х14 специальный торцевой
Кол-во
1
?
None
ИП-3901312
Ключ 22х38 для гаек колес
Кол-во
1
?
None
ИП-3901085
Ключ 24х27
Кол-во
1
?
None
ИП-3901559
Ключ 27 пускового подогревателя
Кол-во
1
?
None
ИП-3901144
Ключ 82 для регулировки подшипников ступиц задних колес
Кол-во
1
?
None
ИП-3901196
Ключ 14 накидной
Кол-во
1
?
None
ИП-3901207
Ключ накидной 24
Кол-во
1
?
None
ИП-3901208
Ключ накидной 30
Кол-во
1
?
None
24-10-3901094
Ключ специальный
Кол-во
1
?
None
Д1-3913010-Г
Домкрат гидравлический в сборе
Кол-во
1
?
None
4301-3913099
Держатель домкрата в сборе
Кол-во
1
?
None
3307-3919122
Боковина правая
Кол-во
1
?
None
И91-3901000
Отвертка комбинированная
Кол-во
1
?
None
290509-П29
Болт М6-6gх25
Кол-во
12
?
None
ИП-3901205
Ключ 17х19 накидной
Кол-во
1
?
None
ИП-3901194
Ключ для внутреннего колпака ступицы (51-3901154)
Кол-во
1
?
None
201418-П29
Болт М6-6gх16 ОСТ 37.001.123-96
Кол-во
12
?
None
201416-П29
Болт М6-6gх12 ОСТ 37.001.123-96
Кол-во
41
?
В наличии
5 ₽
None
252004-П29
Шайба 6 ОСТ 37.001.144-96
Кол-во
82
?
None
252154-П2
Шайба 6Л ОСТ 37.001.115-75
Кол-во
96
?
None
А24-21-3
Лампа накаливания (d=15, D=26,5, L=45) ГОСТ 2023.1 -88
Кол-во
10
?
None
3307-3919127
Боковина левая
Кол-во
1
?
None
3306-3901162
Ключ специальный 6
Кол-во
1
?
None
И123-3901000
Ключ 6х10 для прокачки тормозов и воздушного крана
Кол-во
1
?
None
3307-3901162
Ключ 5 торцовый
Кол-во
1
?
None
МД-3912312
Футляр в сборе
Кол-во
1
?
None
40П-3901472
Шланг для прокачивания гидротормозов
Кол-во
1
?
None
39 2621 1035
Молоток (И 108-3901000)
Кол-во
0
?
None
39 2634 2315
Зубило (ИП-3901246)
Кол-во
0
?
None
39 2651 2085
Ключ 12х14 (ИП-3901023)
Кол-во
0
?
None
39 2651 2255
Ключ 13х17 (ИП-3901021)
Кол-во
0
?
None
39 2651 2125
Ключ 19х22 (ИП-3901033)
Кол-во
0
?
None
39 2651 2055
Ключ 8х10 (ИП-3901022)
Кол-во
0
?
None
39 2641 3015
Плоскогубцы (И78-3901000)
Кол-во
0
?
None
НСТ 39-21-005-У2
Светильник (ИЖЦМ 676.211.009)
Кол-во
0
?
None
МД14-3912312-01
Футляр
Кол-во
1
?
None
4301-3914080
Утеплитель с пистонами в сборе
Кол-во
1
?
None
3306-3901850
Съемник форсунки
Кол-во
1
?
None
МД14-3912312-02
Колпачок
Кол-во
1
?
None
4301-1015308
Крышка с ремнем
Кол-во
1
?
None
ИП-3901297
Лопатка монтажная
Кол-во
1
?
None
ИП-3901284
Лопатка монтажная и вороток гидродомкрата
Кол-во
1
?
None
МД231-3912200
Манометр шинный в сборе
Кол-во
1
?
None
ОП-2-01
Огнетушитель
Кол-во
1
?
None
ОПУ-2-02
Огнетушитель с кронштейном
Кол-во
1
?
None
М16-3564-00
Отвертка 250х1,4 в сборе
Кол-во
1
?
None
53-12-3901010
Сумка инструментальная
Кол-во
1
?
None
53А-3901024
Сумка инструментальная малая в сборе
Кол-во
1
?
None
35 2624 1545
Бородок
Кол-во
0
?
Есть готовая заявка? Отправьте ее нам!
Если у вас уже есть список необходимых запчастей, загрузите файл с ним или укажите артикулы и названия запчастей в поле Комментарий, а также оставьте свои контактные данные. В течение рабочего дня мы оценим вашу заявку и отправим вам коммерческое предложение.
Отдел продаж

Если у вас уже есть готовая заявка на запасные части, то просто прикрепите файл с ней либо в поле «Комментарии» напишите артикулы и названия необходимых вам запчастей и оставьте контактные данные.

В течение рабочего дня мы выполним расчёт по вашей заявке и направим вам коммерческое предложение.

Только один файл.
Ограничение 128 МБ.
Допустимые типы: txt, rtf, pdf, doc, docx, odt, ppt, pptx, odp, xls, xlsx, ods.
пример: 89511234567 или +79511324567
Отправляя форму вы подтверждаете согласие с политикой обработки персональных данных.