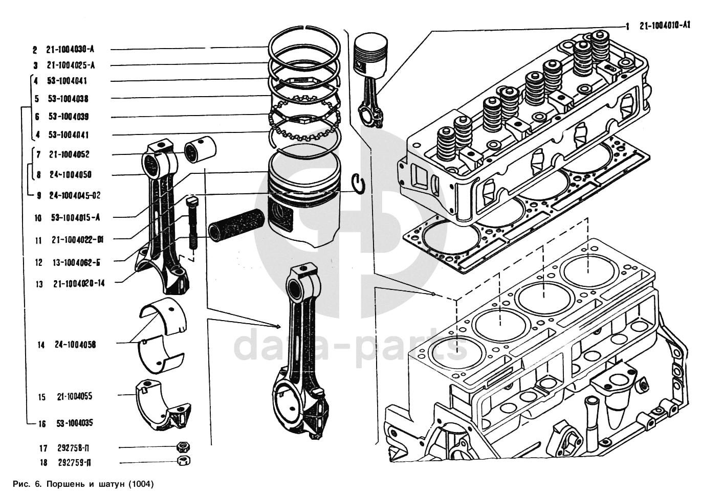
Поршень и шатун УАЗ 3151

1
2
3
4
5
6
7
8
9
10
11
12
13
14
15
16
17
18
%
1
21-1004010-А1
Поршень и шатун в сборе
Кол-во
4
?
2
21-1004030-А
Кольцо поршневое компрессионное верхнее
Кол-во
4
?
3
21-1004025-А
Кольцо поршневое компрессионное нижнее
Кол-во
4
?
4
53-1004041
Кольцо поршневое маслосъемное
Кол-во
8
?
5
53-1004038
Расширитель радиальный поршневого маслосъемного кольца
Кол-во
4
?
6
53-1004039
Расширитель осевой поршневого маслосъемного кольца
Кол-во
4
?
7
21-1004052
Втулка шатуна
Кол-во
4
?
8
24-1004050
Шатун
Кол-во
4
?
9
24-1004045-02
Шатун в сборе
Кол-во
4
?
Производитель:
Metalpart
под заказ
цена по запросу
10
53-1004015-А
Поршень в сборе диаметром 92,00 мм (стандартный)
Кол-во
4
?
11
21-1004022-01
Кольцо стопорное поршневого пальца
Кол-во
8
?
12
13-1004062-Б
Болт крепления крышки шатуна
Кол-во
8
?
13
21-1004020-14
Палец поршневой диаметр 25,00 мм (стандартный)
Кол-во
4
?
14
24-1004058
Вкладыши шатуна диаметр 58,00 мм (стандартный)
Кол-во
2
?
-10
%
Производитель:
Дайдо Металл Русь
В наличии
495 ₽
-10
%
Производитель:
Дайдо Металл Русь
В наличии
840 ₽
-10
%
Производитель:
Дайдо Металл Русь
В наличии
840 ₽
-10
%
Производитель:
Дайдо Металл Русь
В наличии
630 ₽
-10
%
Производитель:
Дайдо Металл Русь
В наличии
460 ₽
-9
%
Производитель:
Дайдо Металл Русь
В наличии
720 ₽
15
21-1004055
Крышка шатуна
Кол-во
4
?
16
53-1004035
Кольцо поршневое маслосъемное (комплект)
Кол-во
1
?
17
292758-П
Гайка болта крышки шатуна
Кол-во
8
?
В наличии
25 ₽
18
292759-П
Гайка стопорная
Кол-во
8
?
Есть готовая заявка? Отправьте ее нам!
Если у вас уже есть список необходимых запчастей, загрузите файл с ним или укажите артикулы и названия запчастей в поле Комментарий, а также оставьте свои контактные данные. В течение рабочего дня мы оценим вашу заявку и отправим вам коммерческое предложение.
Отдел продаж

Если у вас уже есть готовая заявка на запасные части, то просто прикрепите файл с ней либо в поле «Комментарии» напишите артикулы и названия необходимых вам запчастей и оставьте контактные данные.

В течение рабочего дня мы выполним расчёт по вашей заявке и направим вам коммерческое предложение.

Только один файл.
Ограничение 128 МБ.
Допустимые типы: txt, rtf, pdf, doc, docx, odt, ppt, pptx, odp, xls, xlsx, ods.
пример: 89511234567 или +79511324567
Отправляя форму вы подтверждаете согласие с политикой обработки персональных данных.