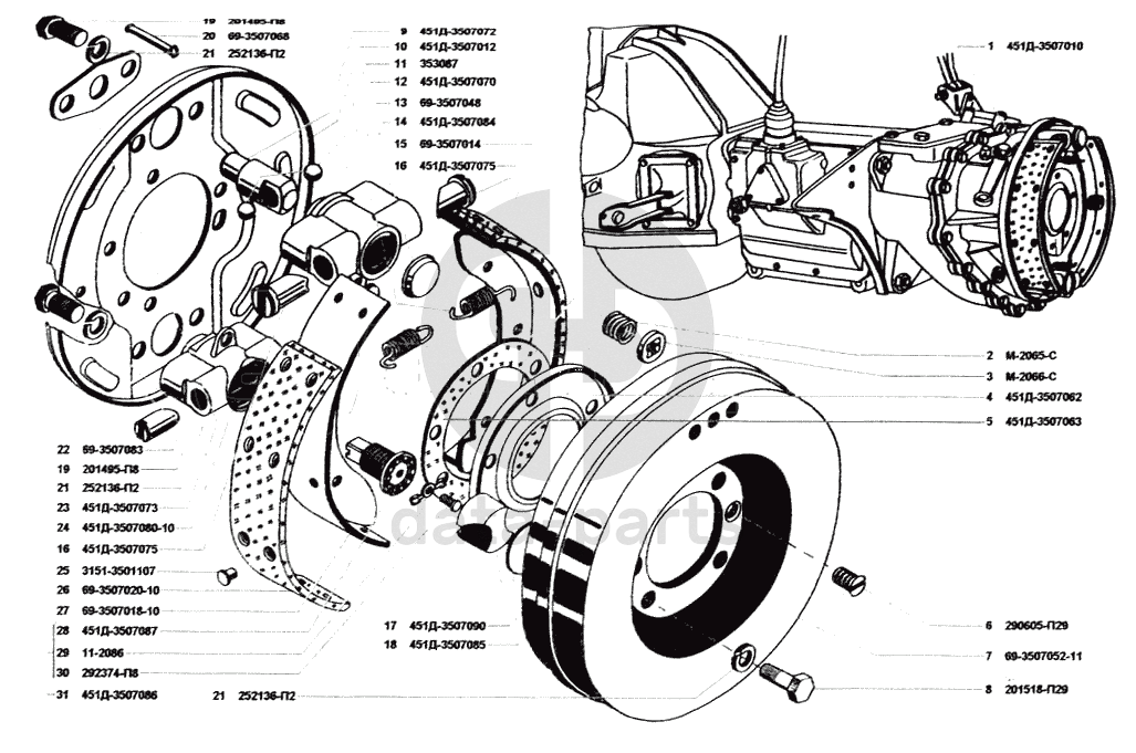
Тормоз стояночный УАЗ 31512

1
451Д-3507010
Стояночный тормоз в сборе
Кол-во
1
?
2
М-2065-С
Пружина прижимная колодок
Кол-во
2
?
3
М-2066-С
Чашка прижимной пружины колодок верхняя
Кол-во
2
?
4
451Д-3507062
Маслоотражатель
Кол-во
1
?
5
451Д-3507063
Прокладка маслоотражателя
Кол-во
1
?
6
290605-П29
Винт М8х12 крепления тормозного барабана к ступице
Кол-во
2
?
7
69-3507052-11
Барабан
Кол-во
1
?
В наличии
1 480 ₽
8
201518-П29
Болт М10х1х25 крепления вала заднего моста
Кол-во
4
?
В наличии
150 ₽
В наличии
22 ₽
под заказ
цена по запросу
В наличии
130 ₽
В наличии
145 ₽
под заказ
цена по запросу
под заказ
цена по запросу
под заказ
цена по запросу
9
451Д-3507072,
Корпус шариков разжимного механизма
Кол-во
1
?
10
451Д-3507012
Щит стояночного тормоза
Кол-во
1
?
11
353087
Шарик ф11,9 разжимного механизма
Кол-во
2
?
12
451Д-3507070
Корпус разжимного механизма
Кол-во
1
?
13
69-3507048
Пружина стяжная колодок
Кол-во
4
?
14
451Д-3507084
Колпак корпуса разжимного механизма
Кол-во
1
?
15
69-3507014
Колодка с накладкой в сборе
Кол-во
2
?
16
451Д-3507075
Толкатель разжимного механизма
Кол-во
2
?
17
451Д-3507090
Сухарь разжимной колодок
Кол-во
1
?
18
451Д-3507085
Заглушка корпуса регулировочного механизма
Кол-во
1
?
19
201495-П8
Болт М10х20
Кол-во
4
?
20
69-3507068
Стержень прижимной пружины колодок
Кол-во
2
?
21
252136-П2
Шайба 10 пружинная
Кол-во
8
?
22
69-3507083
Опора колодок
Кол-во
2
?
23
451Д-3507073
Ограничитель корпуса шариков разжимного механизма
Кол-во
1
?
24
451Д-3507080-10
Корпус регулировочного механизма
Кол-во
1
?
25
3151-3501107
Заклепка 4х9
Кол-во
16
?
26
69-3507020-10
Накладка фрикционная колодки
Кол-во
2
?
В наличии
70 ₽
27
69-3507018-10
Колодка стояночного тормоза
Кол-во
2
?
28
451Д-3507087
Винт регулировочный колодок
Кол-во
1
?
29
11-2086
Пружина регулировочного винта колодок
Кол-во
1
?
30
292374-П8
Штифт пружины регулировочного винта
Кол-во
1
?
31
451Д-3507086
Винт регулировочный колодок
Кол-во
1
?
Есть готовая заявка? Отправьте ее нам!
Если у вас уже есть список необходимых запчастей, загрузите файл с ним или укажите артикулы и названия запчастей в поле Комментарий, а также оставьте свои контактные данные. В течение рабочего дня мы оценим вашу заявку и отправим вам коммерческое предложение.
Отдел продаж

Если у вас уже есть готовая заявка на запасные части, то просто прикрепите файл с ней либо в поле «Комментарии» напишите артикулы и названия необходимых вам запчастей и оставьте контактные данные.

В течение рабочего дня мы выполним расчёт по вашей заявке и направим вам коммерческое предложение.

Только один файл.
Ограничение 128 МБ.
Допустимые типы: txt, rtf, pdf, doc, docx, odt, ppt, pptx, odp, xls, xlsx, ods.
пример: 89511234567 или +79511324567
Отправляя форму вы подтверждаете согласие с политикой обработки персональных данных.