Карбюратор УАЗ 3303

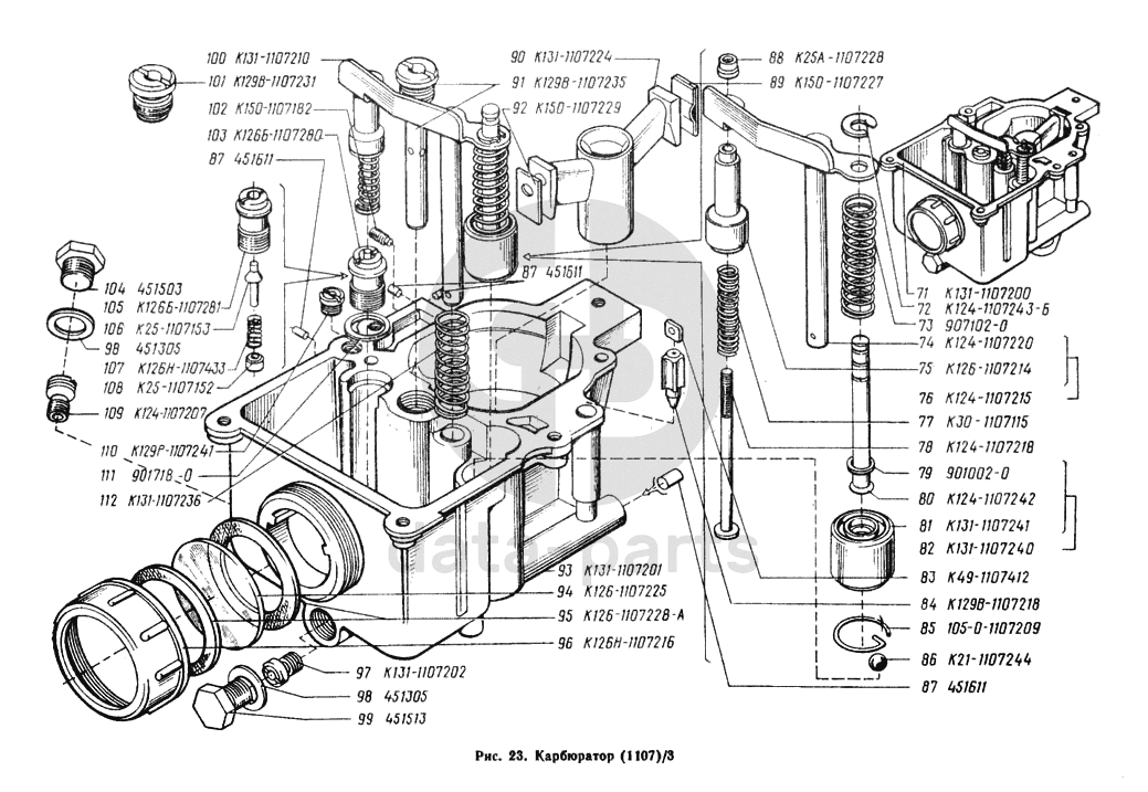
71
К131-1107200
Корпус карбюратора в сборе
Кол-во
1
?
72
К124-1107243-Б
Замок штока экономайзера
Кол-во
1
?
73
907102-0
Пружина штока экономайзера
Кол-во
1
?
74
К124-1107220
Планка привода ускорительного насоса со штоком в сборе
Кол-во
1
?
75
К126-1107214
Направляющая штока экономайзера
Кол-во
1
?
76
К124-1107215
Планка привода ускорительного насоса в сборе
Кол-во
1
?
77
К30-1107115
Пружина утопителя ускорительного насоса
Кол-во
1
?
78
К124-1107218
Шток привода экономайзера
Кол-во
1
?
79
901002-0
Шайба 5,2х0,5
Кол-во
1
?
80
К124-1107242
Шток
Кол-во
1
?
81
К131-1107241
Поршень экономайзера
Кол-во
1
?
82
К131-1107240
Поршень экономайзера в сборе
Кол-во
1
?
83
К49-1107412
Замок клапана ускорительного насоса
Кол-во
1
?
84
К129В-1107218
Клапан нагнетательный ускорительного насоса
Кол-во
1
?
85
105-0-1107209
Кольцо стопорное поршня экономайзера
Кол-во
1
?
86
К21-1107244
Шарик
Кол-во
1
?
87
451611
Заглушка
Кол-во
5
?
88
К25А-1107228
Гайка установочная
Кол-во
1
?
89
К 150-1107227
Пружина малого диффузора
Кол-во
1
?
90
К131-1107224
Диффузор малый
Кол-во
1
?
91
К129В-1107235
Жиклер воздушный .главной системы в сборе
Кол-во
1
?
92
К150-1107229
Прокладка малого диффузора
Кол-во
1
?
93
К131-1107201
Корпус карбюратора
Кол-во
1
?
94
К126-1107225
Стекло смотрового окна поплавковой камеры
Кол-во
1
?
95
К126-1107228-А
Прокладка стекла
Кол-во
2
?
96
К126Н-1107216
Гайка смотрового окна
Кол-во
1
?
97
К131-1107202
Жиклер главный топливный
Кол-во
1
?
98
451305
Прокладка пробки
Кол-во
3
?
99
451513
Пробка М10х1х7
Кол-во
1
?
100
К131-1107210
Привод ускорительного насоса в сборе
Кол-во
1
?
101
К129В-1107231
Жиклер главный воздушный
Кол-во
1
?
102
К150-1107182
Винт
Кол-во
1
?
103
К126Б-1107280
Клапан экономайзера в сборе
Кол-во
1
?
104
451503
Пробка М10х1х7 воздушного жиклера
Кол-во
1
?
105
К126Б-1107281
Корпус клапана экономайзера
Кол-во
1
?
106
К25-1107153
Клапан экономайзера
Кол-во
1
?
107
К126Н-1107433
Пружина
Кол-во
1
?
108
К25-1107152
Замок клапана экономайзера
Кол-во
1
?
109
К124-1107207
Жиклер топливный холостого хода
Кол-во
1
?
110
К129Р-1107241
Жиклер воздушный холостого хода
Кол-во
1
?
111
901718-0
Прокладка клапана экономайзера
Кол-во
1
?
112
К131-1107236
Пружина штока привода ускорительного насоса
Кол-во
1
?
Есть готовая заявка? Отправьте ее нам!
Если у вас уже есть список необходимых запчастей, загрузите файл с ним или укажите артикулы и названия запчастей в поле Комментарий, а также оставьте свои контактные данные. В течение рабочего дня мы оценим вашу заявку и отправим вам коммерческое предложение.
Отдел продаж

Если у вас уже есть готовая заявка на запасные части, то просто прикрепите файл с ней либо в поле «Комментарии» напишите артикулы и названия необходимых вам запчастей и оставьте контактные данные.

В течение рабочего дня мы выполним расчёт по вашей заявке и направим вам коммерческое предложение.

Только один файл.
Ограничение 128 МБ.
Допустимые типы: txt, rtf, pdf, doc, docx, odt, ppt, pptx, odp, xls, xlsx, ods.
пример: 89511234567 или +79511324567
Отправляя форму вы подтверждаете согласие с политикой обработки персональных данных.