Механизм и привод управления сцеплением УАЗ 3303

16
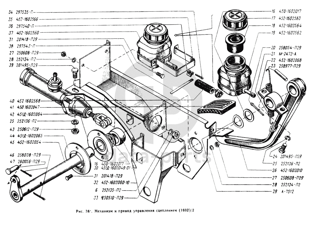
450-1602017
Шайба упорная
Кол-во
2
?
17
452-1602563
Корпус пробки бачка главного цилиндра
Кол-во
1
?
18
452-1602564
Отражатель пробки
Кол-во
1
?
19
452-1602562
Бачок главного цилиндра
Кол-во
1
?
20
258054-П29
Шплинт 4х32
Кол-во
2
?
21
М-2472-А
Пружина оттяжная рычага привода выключения сцепления
Кол-во
1
?
22
452-1602068
Опора вала педали левая в сборе
Кол-во
1
?
23
258977-П29
Штифт 8х36
Кол-во
1
?
24
201495-П29
Болт М 10х20
Кол-во
2
?
25
252136-П2
Шайба 10 пружинная
Кол-во
6
?
26
425-1602010
Педаль сцепления в сборе
Кол-во
1
?
27
250608-П29
Гайка М6
Кол-во
4
?
28
252134-П2
Шайба 6 пружинная
Кол-во
4
?
29
А-7512
Шайба нажимная валика педали привода выключения сцепления
Кол-во
1
?
30
451Д-1602049-01
Подшипник шарнирный вала педали сцепления
Кол-во
2
?
31
201418-П29
Болт М6х16
Кол-во
4
?
32
452-1602060-10
Кронштейн главного цилиндра
Кол-во
1
?
33
250510-П29
Гайка М8
Кол-во
2
?
34
297535-П
Шплинт стяжной
Кол-во
2
?
35
452-1602566
Хомут бачка главного цилиндра
Кол-во
1
?
36
297540-П
Пряжка хомутика
Кол-во
2
?
37
452-1602560
Бачок главного цилиндра
Кол-во
1
?
38
297543-П
Лента стяжная
Кол-во
2
?
39
201495-П29
Болт М 10х20
Кол-во
0
?
40
452-1602568
Шланг гибкий бачка главного цилиндра
Кол-во
1
?
41
450-1602047
Накладка педали привода выключения сцепления
Кол-во
1
?
42
451Д-1602064
Прокладка регулировочная шарнирного подшипника (По потребности)
Кол-во
0
?
43
250612-П29
Гайка М10
Кол-во
2
?
В наличии
3 ₽
44
451Д-1602065
Корпус подшипника валика педали
Кол-во
1
?
45
452-1602054
Вал педали сцепления в сборе
Кол-во
1
?
под заказ
цена по запросу
46
258038-П29
Шплинт 3,2х16
Кол-во
1
?
47
260056-П29
Палец 10х25
Кол-во
1
?
Есть готовая заявка? Отправьте ее нам!
Если у вас уже есть список необходимых запчастей, загрузите файл с ним или укажите артикулы и названия запчастей в поле Комментарий, а также оставьте свои контактные данные. В течение рабочего дня мы оценим вашу заявку и отправим вам коммерческое предложение.
Отдел продаж

Если у вас уже есть готовая заявка на запасные части, то просто прикрепите файл с ней либо в поле «Комментарии» напишите артикулы и названия необходимых вам запчастей и оставьте контактные данные.

В течение рабочего дня мы выполним расчёт по вашей заявке и направим вам коммерческое предложение.

Только один файл.
Ограничение 128 МБ.
Допустимые типы: txt, rtf, pdf, doc, docx, odt, ppt, pptx, odp, xls, xlsx, ods.
пример: 89511234567 или +79511324567
Отправляя форму вы подтверждаете согласие с политикой обработки персональных данных.