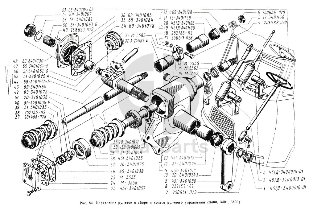
Управление рулевое в сборе, колесо рулевого управления УАЗ 3303

1
451Д-3400010-01
Управление рулевое в сборе
Кол-во
1
?
2
451Д-3400013-01
Управление рулевое без рулевого колеса и сошки в сборе
Кол-во
1
?
3
451Д-3400014-01
Управление рулевое без колонки рулевого колеса и сошки (в сборе)
Кол-во
1
?
4
201488-П29
Болт М8х1х50
Кол-во
1
?
5
12-3401130
Пружина разжимного кольца
Кол-во
1
?
6
250636-П8
Гайка М16х1,5
Кол-во
1
?
7
250651-П8
Гайка М22х1,5
Кол-во
1
?
8
252162-П2
Шайба 22 пружинная
Кол-во
1
?
9
451-3401090
Сошка
Кол-во
1
?
10
20-3401023-Б
Сальник вала сошки в сборе
Кол-во
1
?
11
451-3401010
Картер с втулкой в сборе
Кол-во
1
?
12
51-3401076
Втулка вала сошки рулевого управления
Кол-во
1
?
13
451-3401015
Картер
Кол-во
1
?
14
М-3549
Сальник горловины картера рулевого управления в сборе
Кол-во
1
?
15
М-3562
Набивка сальника горловины картера
Кол-во
1
?
16
М-3559
Держатель сальника горловины картера
Кол-во
1
?
17
250511-П29
Гайка М8х1
Кол-во
1
?
18
252135-П2
Шайба 6 пружинная
Кол-во
1
?
В наличии
4 ₽
19
451Д-3401100
Труба колонки с подшипником в сборе
Кол-во
1
?
20
451Д-3401105
Труба колонки
Кол-во
1
?
21
12-3401120
Подшипник вала рулевого управления в сборе
Кол-во
1
?
22
469-3401128
Кольцо разжимное
Кол-во
1
?
23
451-3401057
Крышка картера нижняя в сборе
Кол-во
1
?
24
М-3556
Прокладка тонкая
Кол-во
0
?
25
М-3555
Прокладка толстая
Кол-во
0
?
26
69-3401038
Червяк рулевого управления
Кол-во
1
?
27
20-3401075
Подшипник роликовый конический нижний
Кол-во
1
?
28
451-3401035
Вал и червяк в сборе
Кол-во
1
?
29
451-3401040
Вал
Кол-во
1
?
30
469-3401069
Сальник вала червяка в сборе
Кол-во
1
?
31
20-3401071
Подшипник роликовый конический верхний
Кол-во
1
?
32
А-24457-А
Пробка КГ маслосливного и маслоналивного отверстий
Кол-во
1
?
33
М-3506
Хомут зажимной колонки в сборе
Кол-во
1
?
34
69-3401078
Подшипник вала сошки
Кол-во
1
?
35
69-3401084
Прокладка боковой крышки картера рулевого управления
Кол-во
1
?
36
69-3401083
Крышка боковая картера рулевого управления
Кол-во
1
?
37
201455-П29
Болт М8х18
Кол-во
8
?
38
252155-П2
Шайба 8 пружинная
Кол-во
8
?
39
51-3401033
Пружина трубки провода сигнала
Кол-во
1
?
40
51-3401034-Б
Шайба опорная пружины
Кол-во
1
?
41
20-3401036
Кольцо амортизирующее тяги радиатора
Кол-во
1
?
42
69-3401073
Ось ролика вала сошки
Кол-во
1
?
43
69-3401164
Вал сошки рулевого управления с кольцом в сборе
Кол-во
1
?
44
69-3401065-Б
Вал сошки
Кол-во
1
?
45
51-3401089-А
Кольцо подшипника вала сошки
Кол-во
1
?
46
3151-3401062
Ролик вала сошки с подшипником в сборе
Кол-во
1
?
47
69-3401060-Б
Вал сошки с роликом в сборе
Кол-во
1
?
48
69-3401080
Крышка боковая картера рулевого управления в сборе
Кол-во
1
?
49
258623-П29
Штифт 5х8
Кол-во
1
?
50
51-3401063-Б
Винт регулировочный вала сошки рулевого управления
Кол-во
1
?
51
51-3401082
Шайба стопорная регулировочного винта вала сошки
Кол-во
1
?
52
69-3401069
Гайка регулировочного винта вала сошки
Кол-во
1
?
53
66-3402015-02
Колесо рулевого управления
Кол-во
1
?
Есть готовая заявка? Отправьте ее нам!
Если у вас уже есть список необходимых запчастей, загрузите файл с ним или укажите артикулы и названия запчастей в поле Комментарий, а также оставьте свои контактные данные. В течение рабочего дня мы оценим вашу заявку и отправим вам коммерческое предложение.
Отдел продаж

Если у вас уже есть готовая заявка на запасные части, то просто прикрепите файл с ней либо в поле «Комментарии» напишите артикулы и названия необходимых вам запчастей и оставьте контактные данные.

В течение рабочего дня мы выполним расчёт по вашей заявке и направим вам коммерческое предложение.

Только один файл.
Ограничение 128 МБ.
Допустимые типы: txt, rtf, pdf, doc, docx, odt, ppt, pptx, odp, xls, xlsx, ods.
пример: 89511234567 или +79511324567
Отправляя форму вы подтверждаете согласие с политикой обработки персональных данных.