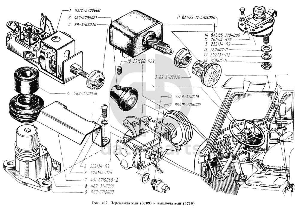
Переключатели, выключатели УАЗ 3303

1
2
3
4
5
6
7
8
9
10
11
12
13
14
15
16
17
18
%
1
П312-3709000
Переключатель света центральный
Кол-во
1
?
2
452-3709051
Ручка тяги центрального переключателя
Кол-во
1
?
3
69-3709030
Гайка крепления переключателя
Кол-во
1
?
4
469-3710056
Колпачок
Кол-во
1
?
5
252134-П2
Шайба 6 пружинная
Кол-во
2
?
6
220105-П29
Винт М6х16
Кол-во
2
?
7
51-3710050-Д
Козырек защитный клемм ножного переключателя света
Кол-во
1
?
8
469-3710055
Муфта
Кол-во
1
?
9
П39-3710000
Переключатель света ножной
Кол-во
1
?
10
221500-П29
Винт М3х5
Кол-во
1
?
11
ВК422-12-3709000
Выключатель аварийной сигнализации
Кол-во
1
?
12
ВК418-3716000
Выключатель света заднего хода автомобиля в сборе
Кол-во
1
?
13
452Д-3710518
Прокладка выключателя света заднего хода автомобиля
Кол-во
1
?
14
ВК318Б-3704000
Выключатель «массы»
Кол-во
1
?
15
201416-П29
Болт М6х12
Кол-во
3
?
В наличии
5 ₽
16
252007-П
Шайба 12
Кол-во
2
?
17
252137-П2
Шайба 12 пружинная
Кол-во
2
?
18
250615-П
Гайка М12
Кол-во
2
?
Есть готовая заявка? Отправьте ее нам!
Если у вас уже есть список необходимых запчастей, загрузите файл с ним или укажите артикулы и названия запчастей в поле Комментарий, а также оставьте свои контактные данные. В течение рабочего дня мы оценим вашу заявку и отправим вам коммерческое предложение.
Отдел продаж

Если у вас уже есть готовая заявка на запасные части, то просто прикрепите файл с ней либо в поле «Комментарии» напишите артикулы и названия необходимых вам запчастей и оставьте контактные данные.

В течение рабочего дня мы выполним расчёт по вашей заявке и направим вам коммерческое предложение.

Только один файл.
Ограничение 128 МБ.
Допустимые типы: txt, rtf, pdf, doc, docx, odt, ppt, pptx, odp, xls, xlsx, ods.
пример: 89511234567 или +79511324567
Отправляя форму вы подтверждаете согласие с политикой обработки персональных данных.