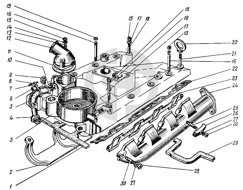
Газопровод ПАЗ-672М

1
66-1008081-12
Прокладка впускной трубы передняя
Кол-во
1
?
2
13-10008096
Кожух газопровода
Кол-во
1
?
3
672-1008014
Труба впускная в сборе
Кол-во
1
?
4
66-11303075
Штуцер 3/8" соединительного шланга перепускного канала водяной рубашки цилиндров, входной
Кол-во
1
?
5
66-1303060-Б
Шланг соединительный перепускного канала водяной рубашки
Кол-во
1
?
6
297584-П8
Лента стяжная хомутика шланга 10х235
Кол-во
2
?
7
297575-П8
Шплинт стяжной хомутика шланга
Кол-во
2
?
8
297580-П8
Пряжка хомутика шланга
Кол-во
2
?
9
262507-П
Пробка 3/8"
Кол-во
1
?
10
13-1303065-Б
Штуцер К3/8 соединительного шланга перепускного канала водяной рубашки выходной
Кол-во
1
?
11
13-1008155
Прокладка выпускного патрубка
Кол-во
1
?
12
13-1008150-Б
Патрубок выпускной водяной рубашки цилиндров
Кол-во
1
?
13
291754-П2
Шпилька М8х1х42 крепления выпускного патрубка
Кол-во
2
?
14
252155-П2
Шайба 8 пружинная
Кол-во
2
?
15
250503-П8
Гайка М8х1
Кол-во
0
?
15
250503-П8
Гайка М8Х1
Кол-во
0
?
16
291762-П
Шпилька М8х1х75 крепления выпускной трубы
Кол-во
7
?
17
293257-П8
Шайба 8,5
Кол-во
6
?
18
291758-П2
Шпилька М8х1х58
Кол-во
1
?
19
291768-П
Шпилька М8х1х88 крепления выпускной трубы
Кол-во
2
?
20
1-3-1008135
Гайка грузовая
Кол-во
2
?
21
291807-П
Шпилька М10х1х75
Кол-во
2
?
22
13-1008080-Б
Прокладка впускной трубы боковая
Кол-во
2
?
23
13-1008027-Б
Прокладка выпускного коллектора
Кол-во
2
?
24
66-11008025-Г
Коллектор выпускной левый
Кол-во
1
?
25
291777-П
Шпилька М10х1х45 крепления выпускного коллектора
Кол-во
6
?
26
13-1008057
Планка крепления выпускного коллектора
Кол-во
6
?
27
252006-П8
Шайба диам 10 гаек выпускного коллектора
Кол-во
2
?
28
292765-П
Гайка М10х1
Кол-во
10
?
29
66-1008079-Б
Прокладка впускной трубы задняя
Кол-во
1
?
30
291797-П
Шпилька М101х30 крепления выпускного коллектора
Кол-во
4
?
Есть готовая заявка? Отправьте ее нам!
Если у вас уже есть список необходимых запчастей, загрузите файл с ним или укажите артикулы и названия запчастей в поле Комментарий, а также оставьте свои контактные данные. В течение рабочего дня мы оценим вашу заявку и отправим вам коммерческое предложение.
Отдел продаж

Если у вас уже есть готовая заявка на запасные части, то просто прикрепите файл с ней либо в поле «Комментарии» напишите артикулы и названия необходимых вам запчастей и оставьте контактные данные.

В течение рабочего дня мы выполним расчёт по вашей заявке и направим вам коммерческое предложение.

Только один файл.
Ограничение 128 МБ.
Допустимые типы: txt, rtf, pdf, doc, docx, odt, ppt, pptx, odp, xls, xlsx, ods.
пример: 89511234567 или +79511324567
Отправляя форму вы подтверждаете согласие с политикой обработки персональных данных.