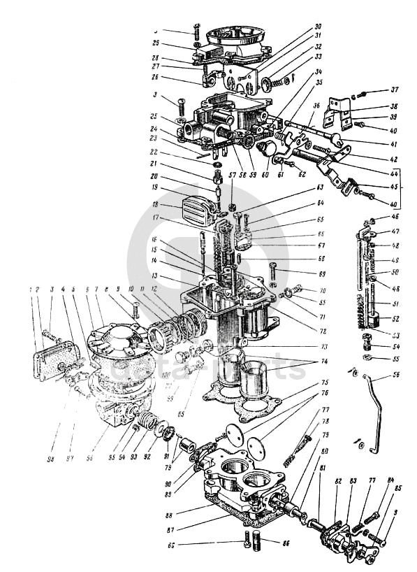
Карбюратор ПАЗ-672М

1
К126Б-1107182
Крышка
Кол-во
1
?
2
К126Б-1107181
Прокладка крышки
Кол-во
1
?
3
900413-1
Винт
Кол-во
12
?
4
К126Б-1107158
Пружина ограничителя
Кол-во
1
?
5
К126Б-1107161
Винт пружины
Кол-во
1
?
6
К126Б-1107170
Диафрагма в сборе
Кол-во
1
?
7
К126Б-1107175
Крышка в сборе
Кол-во
1
?
8
К37-49
Гайка
Кол-во
1
?
9
900415-11
Винт
Кол-во
3
?
9
900415-1
Винт
Кол-во
0
?
10
К126-1107228
Прокладка
Кол-во
1
?
11
К126-1107225
Стекло карбюратора
Кол-во
1
?
12
К126-1107227
Прокладка
Кол-во
1
?
13
К21-1107244
Шарик
Кол-во
1
?
14
К126Б-1107226
Трубка эмульсионная
Кол-во
2
?
15
К126Б-1107205
Жиклер топливный
Кол-во
2
?
16
К126-1107204
Кольцо стопорное
Кол-во
1
?
17
К126Б-1107210
Привод ускорительного насоса в сборе
Кол-во
1
?
18
К124-1107320
Поплавок в сборе
Кол-во
1
?
19
К44-1107232
Пружина клапана
Кол-во
1
?
20
К126Б-1107331
Игла клапана подачи горючего
Кол-во
1
?
21
К126Б-1107332
Корпус клапана
Кол-во
1
?
22
901715-0
Шайба фибровая
Кол-во
1
?
23
К14-1107211
Ось поплавка
Кол-во
1
?
24
К126-1107012
Прокладка поплавковой камеры
Кол-во
1
?
25
К126Б-1107301
Крышка поплавковой камеры
Кол-во
1
?
26
К126Б-1107355
Вилка в сборе
Кол-во
1
?
27
СЛ22-5205502
Винт стопорный
Кол-во
1
?
28
К126Б-1107021
Прокладка фланца
Кол-во
1
?
29
К126Б-1107022
Фланец крышки
Кол-во
1
?
30
900110-1
Винт воздушной заслонки
Кол-во
2
?
31
К126-1107375
Заслонка воздушная с осью клапана в сборе
Кол-во
1
?
32
К126-1107372
Клапан воздушной заслонки
Кол-во
2
?
33
К123-1107321
Пружина
Кол-во
2
?
34
К23-70
Втулка
Кол-во
1
?
35
К124-1107309
Пружина
Кол-во
1
?
36
К126-1107308
Пружина
Кол-во
1
?
37
900406-1
Винт кронштейна
Кол-во
2
?
38
К23-55
Зажим кронштейна
Кол-во
1
?
39
К126Б-1107302
Кронштейн
Кол-во
1
?
40
900507-1
Болт
Кол-во
1
?
41
К126Б-1107310
Ось воздушной заслонки в сборе
Кол-во
1
?
42
900430-1
Винт
Кол-во
1
?
43
К126Б-1107350
Ось привода насоса в сборе
Кол-во
1
?
44
К126Б-1107345
Ось привода насоса с рычагом в сборе
Кол-во
1
?
45
К126Б-1107353
Планка
Кол-во
1
?
46
К25А-1107228
Гайка установочная
Кол-во
2
?
47
К126Б-1107215
Планка в сборе
Кол-во
1
?
48
К59-1107217
Шайба
Кол-во
2
?
49
К7А-1107226
Пружина поршня
Кол-во
1
?
50
К30-1107115
Пружина
Кол-во
1
?
51
К126Б-1107225
Шток привода экономайзера
Кол-во
1
?
52
123-0-1107225
Поршень в сборе
Кол-во
1
?
53
К126Б-1107236
Пружина
Кол-во
1
?
54
К126Б-1107280
Клапан экономайзера в сборе
Кол-во
1
?
55
901718-0
Шайба фибровая
Кол-во
1
?
56
К126Б-1107024
Тяга малых оборотов
Кол-во
1
?
57
К126Б-1107231
Жиклер воздушный главной системы
Кол-во
1
?
58
К59-1107325
Сетка фильтра в сборе
Кол-во
1
?
59
901765-0
Шайба фибровая
Кол-во
1
?
60
К44М-1107221
Пробка фильтра
Кол-во
1
?
61
К126Б-1107315
Рычаг привода воздушной заслонки сборе
Кол-во
1
?
62
900113-1
Винт
Кол-во
1
?
63
К21-1107302
Топливопроводящий винт
Кол-во
1
?
64
900408-1
Винт распылителя
Кол-во
1
?
65
901701-0
Шайба фибровая
Кол-во
1
?
66
К126Б-1107208
Распылитель
Кол-во
1
?
67
К126-1107209
Прокладка распылителя
Кол-во
1
?
68
К21-1107218
Нагнетательный клапан
Кол-во
1
?
69
К28Б-1107025
Болт М6
Кол-во
4
?
70
451522
Пробка резьбовая
Кол-во
2
?
71
906510
Жиклер холостого хода воздушный
Кол-во
2
?
72
К126Б-1107201
Корпус поплавковой камеры
Кол-во
1
?
73
К126Б-1107202
Жиклер главный
Кол-во
2
?
74
К126Б-1107013
Диффузор
Кол-во
2
?
75
К126-1107014
Прокладка смесительных камер
Кол-во
1
?
76
К126Б-1107102
Заслонка дроссельная
Кол-во
2
?
77
907103-0
Пружина
Кол-во
2
?
78
105-0-1107103
Винт регулировочный холостого хода
Кол-во
2
?
79
942/8
Подшипник
Кол-во
2
?
80
К126Б-1107110
Ось дроссельных заслонок в сборе
Кол-во
1
?
81
К126Б-1107125
Ось привода в сборе
Кол-во
1
?
82
К126Б-1107109
Прокладка
Кол-во
1
?
83
К126Б-1107126
Подшипник оси привода в сборе
Кол-во
1
?
84
К21-1107108
Винт холостого хода
Кол-во
1
?
85
К126Б-1107127
Рычаг дроссельных заслонок
Кол-во
1
?
86
291747-П
Шпилька М8х1х22 крепления карбюратора
Кол-во
4
?
87
49-1107015
Прокладка между карбюратором и впускной трубой
Кол-во
1
?
88
К126Б-1107101
Корпус смесительных камер
Кол-во
1
?
89
К126Б-1107154
Прокладка
Кол-во
1
?
90
900411-1
Винт
Кол-во
4
?
91
К126Б-1107151
Манжета
Кол-во
1
?
92
К126Б-1107152
Шайба манжеты
Кол-во
1
?
93
К126Б-1107153
Пружина
Кол-во
1
?
94
К126Б-1107168
Жиклер воздушный
Кол-во
1
?
95
К126Б-1107167
Жиклер воздушный
Кол-во
1
?
96
К126Б-1107165
Корпус диафрагменного механизма в сборе
Кол-во
1
?
97
900407-1
Винт
Кол-во
1
?
98
К126Б-1107155
Рычаг в сборе
Кол-во
1
?
99
451501
Пробка резьбовая
Кол-во
1
?
100
451503
Пробка резьбовая
Кол-во
2
?
Есть готовая заявка? Отправьте ее нам!
Если у вас уже есть список необходимых запчастей, загрузите файл с ним или укажите артикулы и названия запчастей в поле Комментарий, а также оставьте свои контактные данные. В течение рабочего дня мы оценим вашу заявку и отправим вам коммерческое предложение.
Отдел продаж

Если у вас уже есть готовая заявка на запасные части, то просто прикрепите файл с ней либо в поле «Комментарии» напишите артикулы и названия необходимых вам запчастей и оставьте контактные данные.

В течение рабочего дня мы выполним расчёт по вашей заявке и направим вам коммерческое предложение.

Только один файл.
Ограничение 128 МБ.
Допустимые типы: txt, rtf, pdf, doc, docx, odt, ppt, pptx, odp, xls, xlsx, ods.
пример: 89511234567 или +79511324567
Отправляя форму вы подтверждаете согласие с политикой обработки персональных данных.