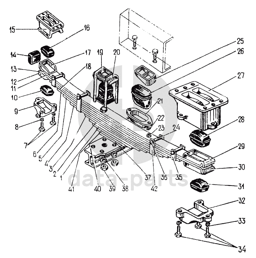
Передняя рессора ПАЗ-672М

1
672-2902109
Лист № 9 передней рессоры
Кол-во
2
?
2
672-2902108
Лист № 8 передней рессоры
Кол-во
2
?
3
672-2902107
Лист № 7 передней рессоры
Кол-во
2
?
4
672-2902106
Лист № 6 передней рессоры
Кол-во
2
?
5
672-2902052
Лист № 5 передней рессоры
Кол-во
2
?
5
672-2902105
Лист № 5 передней рессоры
Кол-во
2
?
6
672-2902104
Лист № 4 передней рессоры
Кол-во
2
?
7
290939-П8
Болт М12х50 крепления крышек
Кол-во
6
?
8
252157-П2
Шайба пружинная диам 12
Кол-во
6
?
9
672-2912450
Крышка переднего кронштейна задней рессоры
Кол-во
2
?
10
652-2902431-Б
Опора нижняя передней и задней рессоры
Кол-во
2
?
11
672-2902016
Лист № 2 передней рессоры с чашками опор
Кол-во
2
?
12
672-2902015
Лист № 1 передней рессоры с чашками опор
Кол-во
2
?
13
53А-2912035
Чашка заднего конца задней рессоры нижняя
Кол-во
2
?
14
53-2902433-А
Упор передней и задней рессоры
Кол-во
2
?
В наличии
255 ₽
15
652-2912444-Б
Кронштейн задней рессоры передний
Кол-во
2
?
16
652-2912431-Б
Опора задней рессоры верхняя
Кол-во
2
?
17
53А-2912036
Чашка переднего конца задней рессоры
Кол-во
0
?
18
672-2902051
Лист № 3 передней рессоры
Кол-во
2
?
19
51-2902412-А
Накладка передней рессоры
Кол-во
2
?
20
652-2902408-Д
Стремянка передней рессоры ( норма упаковки в ящик 0,075 т. шт., 40 кг )
Кол-во
3
?
В наличии
195 ₽
21
51-2902674
Обойма дополнительного буфера
Кол-во
2
?
22
252136-П2
Шайба 10 пружинная
Кол-во
4
?
23
250512-П8
Гайка М10 болта крепления картера
Кол-во
4
?
24
353-2902068
Втулка распорная хомута передней рессоры
Кол-во
8
?
25
51-2902690-А
Вкладыш обоймы дополнительного буфера
Кол-во
2
?
26
672-2902684
Буфер дополнительный передней рессоры
Кол-во
2
?
27
652Б-2912446
Кронштейн задней рессоры задний
Кол-во
2
?
28
652-2912431-Б
Опора задней рессоры верхняя
Кол-во
0
?
29
53А-2912036
Чашка переднего конца задней рессоры
Кол-во
0
?
30
53А-2912035
Чашка заднего конца задней рессоры нижняя
Кол-во
0
?
31
652-2902431-Е
Опора заднего конца нижняя
Кол-во
2
?
32
52-2912452
Крышка заднего кронштейна
Кол-во
2
?
33
252157-П2
Шайба пружинная диам 12
Кол-во
0
?
34
290939-П8
Болт М12х50 крепления крышек
Кол-во
0
?
35
672-2902061
Хомут 3 листа передней рессоры
Кол-во
4
?
36
256836-П
Заклепка 10х20
Кол-во
0
?
37
672-29021111
Лист № и передней рессоры
Кол-во
2
?
38
252139-П2
Шайба пружинная диам 16
Кол-во
8
?
В наличии
15 ₽
39
292873-П8
Гайка М16х1,5 стремянки
Кол-во
8
?
40
672-3001010-10
Балка передней оси
Кол-во
1
?
41
672-2902110
Лист № 10 передней рессоры
Кол-во
2
?
42
40А-2912062Б
Хомут 5 листа передней рессоры
Кол-во
2
?
Есть готовая заявка? Отправьте ее нам!
Если у вас уже есть список необходимых запчастей, загрузите файл с ним или укажите артикулы и названия запчастей в поле Комментарий, а также оставьте свои контактные данные. В течение рабочего дня мы оценим вашу заявку и отправим вам коммерческое предложение.
Отдел продаж

Если у вас уже есть готовая заявка на запасные части, то просто прикрепите файл с ней либо в поле «Комментарии» напишите артикулы и названия необходимых вам запчастей и оставьте контактные данные.

В течение рабочего дня мы выполним расчёт по вашей заявке и направим вам коммерческое предложение.

Только один файл.
Ограничение 128 МБ.
Допустимые типы: txt, rtf, pdf, doc, docx, odt, ppt, pptx, odp, xls, xlsx, ods.
пример: 89511234567 или +79511324567
Отправляя форму вы подтверждаете согласие с политикой обработки персональных данных.