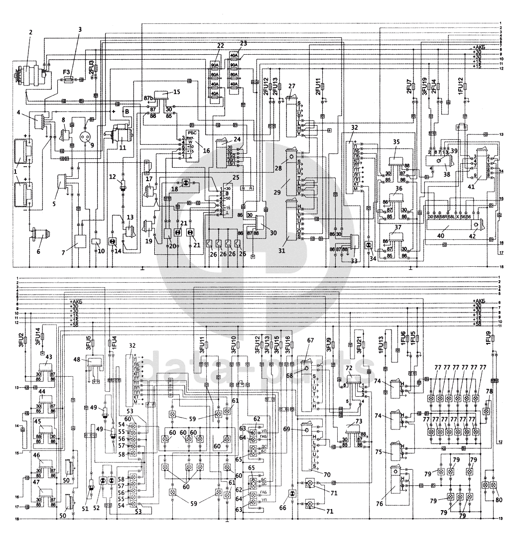
Электрооборудование автобуса ПАЗ-4230

1
6-СТ132
Аккумуляторная батарея
Кол-во
2
?
2
3112.3771
Генератор
Кол-во
1
?
3
ПР117
Предохранитель
Кол-во
1
?
4
1402.3737
Выключатель аккумуляторных батарей
Кол-во
1
?
5
905.3747
Реле глушения двигателя
Кол-во
1
?
6
ВК318Б
Выключатель МАССЫ
Кол-во
1
?
7
ЭМ 19-03
Электромагнитный клапан глушения ДВС
Кол-во
1
?
8
3832.3710-11.47
Выключатель глушения двигателя в мотоотсеке
Кол-во
1
?
9
ПС500
Розетка
Кол-во
1
?
10
Электромагнитный клапан отсечки топлива
Электромагнитный клапан отсечки топлива
Кол-во
1
?
11
9172780
Стартер
Кол-во
1
?
11
АZJ3381
Стартер
Кол-во
1
?
12
ВК418А
Выключатель фонарей заднего хода
Кол-во
1
?
В наличии
185 ₽
13
3832.3710-11.00
Выключатель пуска двигателя в мотоотсеке
Кол-во
1
?
14
2212.3803-57-А
Контрольная лампа «нейтраль»
Кол-во
1
?
15
738.3747-20
Реле стартера
Кол-во
1
?
16
2632.3747
Реле блокировки запуска стартера
Кол-во
1
?
17
Кнопка сброса блокировки при повторном пуске
Кнопка сброса блокировки при повторном пуске
Кол-во
1
?
18
2212.3803-21-А
Сигнализатор открытого положения заднего люка
Кол-во
1
?
19
3832.3710-08.63
Выключатель в мотоотсеке дублирующий запуск свечей накаливания
Кол-во
1
?
20
ВКМ-0701
Датчик положения заднего люка
Кол-во
1
?
21
3803-17-А
Сигнализатор включения свечей накаливания
Кол-во
2
?
22
Ф5.3722.001
Блок предохранителей БПР-4
Кол-во
1
?
23
Ф5.3722.001
Блок предохранителей БПР-4
Кол-во
0
?
24
24.3704
Выключатель приборов и стартера
Кол-во
1
?
25
Блок управления свечами накаливания
Блок управления свечами накаливания
Кол-во
1
?
26
11 720 720
Свеча предпускового подогрева
Кол-во
4
?
27
Выключатель глушения двигателя
Выключатель глушения двигателя
Кол-во
1
?
28
Сигнализатор включения «+АКБ»
Сигнализатор включения «+АКБ»
Кол-во
1
?
29
771.3709-02.32
Выключатель дистанционный аккумуляторных батарей
Кол-во
1
?
30
П150-07.25
Аварийный выключатель
Кол-во
1
?
31
РС-951
Выключатель аварийный
Кол-во
1
?
32
Реле-прерыватель указателя поворотов
Реле-прерыватель указателя поворотов
Кол-во
1
?
33
905.3747
Реле глушения двигателя
Кол-во
0
?
34
2212.3803-07-А
Сигнализатор указателей поворотов
Кол-во
1
?
35
905.3747
Реле глушения двигателя
Кол-во
0
?
36
905.3747
Реле глушения двигателя
Кол-во
0
?
37
905.3747
Реле глушения двигателя
Кол-во
0
?
38
249.3710-02
Выключателей аварийной сигнализации
Кол-во
1
?
39
Контрольная лампа «аварийной сигнализации»
Контрольная лампа «аварийной сигнализации»
Кол-во
1
?
40
581.3710-01
Центральный переключатель света
Кол-во
1
?
В наличии
270 ₽
41
1112.3769-01
Подрулевой переключатель света фар, указателей поворотов и звуковых сигналов
Кол-во
1
?
42
Сигнализатор включения габаритных огней
Сигнализатор включения габаритных огней
Кол-во
1
?
43
90.3747-11
Реле включения звуковых сигналов
Кол-во
1
?
44
90.3747-11
Реле включения звуковых сигналов
Кол-во
0
?
45
Реле дополнительное
Реле дополнительное
Кол-во
1
?
46
Реле включения габаритного огня
Реле включения габаритного огня
Кол-во
1
?
47
90.3747-11
Реле включения звуковых сигналов
Кол-во
0
?
48
Реле дополнительное
Реле дополнительное
Кол-во
0
?
49
2802. 3829
Датчик сигналов торможения
Кол-во
1
?
50
С314
Сигнал звуковой высокого тона
Кол-во
2
?
50
С313
Сигнал звуковой низкого тона
Кол-во
2
?
51
ВК418А
Выключатель фонарей заднего хода
Кол-во
0
?
В наличии
185 ₽
52
15.3717
Фонарь освещения номерного знака
Кол-во
1
?
53
7442.3716-08/7442.3716-04
Задние блоки фонарей
Кол-во
2
?
54
А24-5
Лампа заднего габаритного огня
Кол-во
0
?
55
А24-12-3 (Р21W)
Лампа задних указателей поворота
Кол-во
2
?
56
А24-12-3(Р21W)
Лампа сигналов торможения
Кол-во
2
?
57
А24-12-3(Р21W)
Лампа сигналов торможения
Кол-во
0
?
58
А24-12-3(Р21W)
Лампа сигналов торможения
Кол-во
0
?
59
262.3712/264.3712
Верхние габаритные фонари (задние/передние)
Кол-во
2
?
60
49.3731-01/49.3731-03
Боковые маркерные габаритные фонари (правый/левый)
Кол-во
8
?
61
56.3726
Фонари боковых указателей поворотов
Кол-во
0
?
62
745.3711-01/746.3711-01
Блок фара (левая/правая)
Кол-во
2
?
63
А24-12-3(Р21W)
Лампа сигналов торможения
Кол-во
0
?
64
А24-4-1 (Т4W)
Лампа переднего габаритного огня
Кол-во
2
?
65
АКГ24-75-70 (Н4)
Лампа фары
Кол-во
2
?
66
2212.3803-28-А
Контрольная лампа ДАЛЬНИЙ СВЕТ
Кол-во
2
?
67
771.3709-02.07
Выключатель противотуманных фонарей
Кол-во
1
?
68
Сигнализатор включения противотуманных фонарей
Сигнализатор включения противотуманных фонарей
Кол-во
1
?
69
Сигнализатор включения противотуманных фар
Сигнализатор включения противотуманных фар
Кол-во
0
?
70
82.3709-22.06
Выключатель противотуманных фар
Кол-во
1
?
71
244.3743
Фара противотуманная
Кол-во
0
?
71
АКГ24-55 (Н3)
Лампа фары противотуманной
Кол-во
2
?
72
22.3777-01
Реле включения противотуманных фонарей
Кол-во
2
?
73
905.3747
Реле глушения двигателя
Кол-во
0
?
74
82.3709-21.12
Выключатель плафонов освещения салона
Кол-во
1
?
75
82.3709-21.13
Выключатель освещения места водителя
Кол-во
2
?
76
82.3709-21.21
Выключатель освещения багажных отсеков
Кол-во
1
?
77
2902.3714/201.3714
Плафон салона
Кол-во
1
?
77
ВААФ.453754.002-01
Светильник автотранспортный
Кол-во
0
?
78
2612.3714
Плафон водителя
Кол-во
12
?
79
16.3714
Плафон освещения багажных отсеков
Кол-во
1
?
80
26.12.3714
Плафон освещения моторного отсека
Кол-во
6
?
81
2212.3803-40-А
Сигнализатор обогрева зеркал заднего вида
Кол-во
2
?
82
82.3709-22.18
Выключатель обогрева зеркал заднего вида
Кол-во
1
?
83
592/004
Блок управления зеркалами
Кол-во
1
?
84
82.3709-21.24
Выключатель осушителя
Кол-во
1
?
85
Сигнализатор работы осушителя
Сигнализатор работы осушителя
Кол-во
1
?
86
Электродвигатели поворотных механизмов зеркал заднего вида
Электродвигатели поворотных механизмов зеркал заднего вида
Кол-во
1
?
87
Электродвигатели поворотных механизмов зеркал заднего вида
Электродвигатели поворотных механизмов зеркал заднего вида
Кол-во
0
?
88
82.3709-21.00
Выключатель циркуляционного насоса
Кол-во
0
?
89
Сигнализатор включения циркуляционного насоса
Сигнализатор включения циркуляционного насоса
Кол-во
1
?
90
82.3709-21.23
Выключатель предпускового подогревателя
Кол-во
0
?
91
Сигнализатор запуска предпускового подогревателя
Сигнализатор запуска предпускового подогревателя
Кол-во
1
?
92
Осушитель воздуха
Осушитель воздуха
Кол-во
0
?
93
9912.3709
Подрулевой переключатель стеклоочистки
Кол-во
1
?
В наличии
2 595 ₽
94
390 442 401
Мотор-редуктор ВОSСН
Кол-во
1
?
95
31.3761.000
Блок управления предпусковым подогревателем
Кол-во
0
?
96
Электродвигатель стеклоомывателя
Электродвигатель стеклоомывателя
Кол-во
1
?
97
34.3730
Электронасос
Кол-во
1
?
98
461.3747
Реле времени работы стеклоочистителя
Кол-во
1
?
99
Диод
Диод
Кол-во
1
?
100
82.3709-24.14
Переключатель режимов обдува стекол
Кол-во
1
?
101
82.3709-24.09
Переключатель отопителей салона
Кол-во
1
?
102
905.3747
Реле глушения двигателя
Кол-во
0
?
103
Электродвигатель отопителя салона
Электродвигатель отопителя салона
Кол-во
3
?
104
Электродвигатели обдува стекол
Электродвигатели обдува стекол
Кол-во
5
?
105
Лампа подсветки комбинации приборов
Лампа подсветки комбинации приборов
Кол-во
2
?
106
Лампа подсветки тахографа
Лампа подсветки тахографа
Кол-во
2
?
107
1318-25
Тахограф
Кол-во
2
?
108
Датчик тахографа
Датчик тахографа
Кол-во
0
?
109
50.3801
Комбинация приборов
Кол-во
1
?
109
27.3812
Вольтметр в сборе
Кол-во
1
?
109
32.3810
Указатель давления масла в сборе
Кол-во
1
?
109
33.3806
Указатель уровня топлива в сборе
Кол-во
1
?
109
35.3807
Указатель температуры охлаждающей жидкости
Кол-во
1
?
110
2541.3813010-10
Тахометр
Кол-во
1
?
111
Лампа подсветки тахометра
Лампа подсветки тахометра
Кол-во
1
?
112
2212.3803-20-А
Контрольная лампа «засоренность фильтра»
Кол-во
1
?
113
2212.3803-22-А
Сигнализатор аварийной температуры охлаждающей жидкости
Кол-во
1
?
114
2212.3803-19-А
Сигнализатор низкого уровня топлива
Кол-во
0
?
115
2212.3803-23-А
Сигнализатор аварийного давления масла
Кол-во
1
?
116
2212.3803-01-А
Сигнализатор аварийного давления воздуха в первом контуре
Кол-во
1
?
117
2212.3803-02-А
Сигнализатор аварийного давления воздуха во втором контуре
Кол-во
0
?
118
2212.3803-03-А
Сигнализатор аварийного давления воздуха в третьем контуре
Кол-во
1
?
120
2212.3803-04-А
Сигнализатор аварийного давления воздуха в четвертом контуре
Кол-во
1
?
121
2212.3803-05-А
Сигнализатор стояночного тормоза
Кол-во
0
?
122
Реле дополнительное
Реле дополнительное
Кол-во
0
?
123
733. 3747-10
Сигнализатор шумовой связи с водителем
Кол-во
1
?
под заказ
цена по запросу
124
Реле дополнительное
Реле дополнительное
Кол-во
0
?
125
ДСФ-65
Датчик засоренности воздушного фильтра
Кол-во
1
?
126
2432.3828
Датчик указателя температуры охлаждающей жидкости
Кол-во
1
?
127
ТМ 111
Датчик превышения температуры охлаждающей жидкости
Кол-во
1
?
128
5422.3827
Датчик указателя уровня топлива
Кол-во
1
?
129
2812.3710-01
Выключатель экстренного открывания двери
Кол-во
1
?
130
3902.3829
Датчик указателя давления масла
Кол-во
1
?
131
2602.3829
Датчик аварийного давления масла
Кол-во
1
?
132
2702.3829
Датчик аварийного давления воздуха
Кол-во
1
?
133
2702.3829
Датчик аварийного давления воздуха
Кол-во
0
?
134
3842.3710-08.46
Выключатель открывания передней двери наружный
Кол-во
2
?
135
Сигнализатор шумовой экстренного открывания передней двери
Сигнализатор шумовой экстренного открывания передней двери
Кол-во
1
?
136
Сигнализатор шумовой экстренного открывания задней двери
Сигнализатор шумовой экстренного открывания задней двери
Кол-во
1
?
137
2812.3710-03
Выключатель сигнала водителю
Кол-во
2
?
138
УЗЗА ТУ АС 20.00.00
Блок звуковой сигнализации дверных механизмов
Кол-во
2
?
139
771.3709-02.19
Переключатель управления дверью водителя
Кол-во
2
?
140
2212.3803-36-А
Сигнализатор открытого положения передней двери
Кол-во
1
?
141
2812.3710-03
Выключатель сигнала водителю
Кол-во
0
?
142
5256-6518304
Электромагнитные клапаны дверных механизмов (24В)
Кол-во
2
?
143
ВБПЛ-4ТУ 3428-008-03964945
Концевые выключатели положения дверей (микропереключатели (24В))
Кол-во
2
?
144
2612.3714-01
Плафон дверного проема
Кол-во
2
?
145
771.3709-02.19
Переключатель управления дверью водителя
Кол-во
0
?
146
2212.3803-36-А
Сигнализатор открытого положения передней двери
Кол-во
0
?
147
Автомагнитола
Автомагнитола
Кол-во
1
?
148
Динамики салона
Динамики салона
Кол-во
6
?
149
Преобразователь напряжения
Преобразователь напряжения
Кол-во
1
?
150
Транспортно- переговорное устройство
Транспортно- переговорное устройство
Кол-во
1
?
151
265 351 101
Модулятор давления
Кол-во
4
?
152
04 8600 1016/04 8600 1030
Датчик состояния колес
Кол-во
4
?
153
Контрольная лампа «АSR»
Контрольная лампа «АSR»
Кол-во
1
?
154
2212.3803-53-А
Контрольная лампа неисправности АБС
Кол-во
1
?
155
771.3709-02.00
Выключатель диагностический АБС
Кол-во
1
?
157
Реле дополнительное
Реле дополнительное
Кол-во
0
?
Есть готовая заявка? Отправьте ее нам!
Если у вас уже есть список необходимых запчастей, загрузите файл с ним или укажите артикулы и названия запчастей в поле Комментарий, а также оставьте свои контактные данные. В течение рабочего дня мы оценим вашу заявку и отправим вам коммерческое предложение.
Отдел продаж

Если у вас уже есть готовая заявка на запасные части, то просто прикрепите файл с ней либо в поле «Комментарии» напишите артикулы и названия необходимых вам запчастей и оставьте контактные данные.

В течение рабочего дня мы выполним расчёт по вашей заявке и направим вам коммерческое предложение.

Только один файл.
Ограничение 128 МБ.
Допустимые типы: txt, rtf, pdf, doc, docx, odt, ppt, pptx, odp, xls, xlsx, ods.
пример: 89511234567 или +79511324567
Отправляя форму вы подтверждаете согласие с политикой обработки персональных данных.