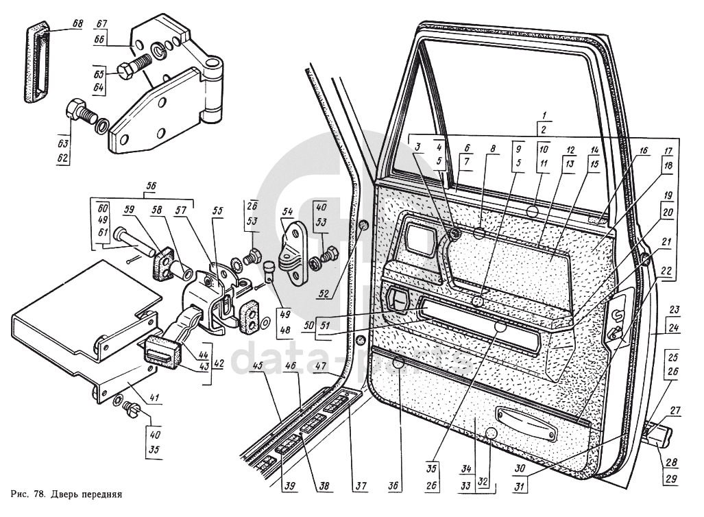
Дверь передняя ГАЗ-14 (Чайка)

1
14-6102210
Обивка двери верхняя с молдингами правая в сборе
Кол-во
1
?
2
14-6102211
Обивка двери верхняя с молдингами левая в сборе
Кол-во
1
?
3
14-6114074
Облицовка подлокотника
Кол-во
2
?
4
224622-П29
Винт М6-6gх10 ОСТ 37.001.130-81
Кол-во
2
?
5
252037-П29
Шайба 6 ОСТ 37.001.144-96
Кол-во
2
?
6
14-6102200-01
Накладка облицовочная правая в сборе
Кол-во
1
?
7
14-6102201-01
Накладка облицовочная левая в сборе
Кол-во
1
?
8
240818-П29
Винт 4х12 ОСТ 37.001.188-81
Кол-во
8
?
9
250508-П29
Гайка М6-6Н ОСТ 37.001.124-93
Кол-во
10
?
10
250464-П29
Гайка М5-6Н ОСТ 37.001.124-93
Кол-во
8
?
11
252268-П29
Шайба 5
Кол-во
8
?
12
14-6102252
Окантовка проема верхней обивки правая
Кол-во
1
?
13
14-6102253
Окантовка проема верхней обивки левая
Кол-во
1
?
14
14-6102240
Вставка верхней обивки правая в сборе
Кол-во
1
?
15
14-6102241
Вставка верхней обивки левая в сборе
Кол-во
1
?
16
14-6103290
Уплотнитель опускного стекла в сборе
Кол-во
2
?
17
14-6102212
Обивка двери верхняя правая в сборе
Кол-во
1
?
18
14-6102213
Обивка двери верхняя левая в сборе
Кол-во
1
?
19
14-6114010
Подлокотник передней двери правый в сборе
Кол-во
1
?
20
14-6114011
Подлокотник передней двери левый в сборе
Кол-во
1
?
21
14-6102262
Молдинг верхней обивки
Кол-во
2
?
22
14-6102140
Молдинг обивки двери в сборе
Кол-во
2
?
23
14-6100018
Дверь передняя бондаризованная
Кол-во
1
?
24
14-6100019
Дверь передняя бондаризованная грунтованная левая в сборе
Кол-во
1
?
25
250508-П29
Гайка М6-6Н ОСТ 37.001.124-93
Кол-во
0
?
26
293226-П29
Шайба 6,5
Кол-во
12
?
27
14-8404124
Держатель молдинга в сборе
Кол-во
12
?
28
14-6101488
Молдинг нижний правый
Кол-во
1
?
29
14-6101489
Молдинг нижний левый
Кол-во
1
?
30
14-6107020
Уплотнитель фланца передней двери правый
Кол-во
1
?
31
14-6107021
Уплотнитель фланца передней двери левый
Кол-во
1
?
32
21-6102080
Пистон крепления обивки в сборе
Кол-во
6
?
33
14-6102510
Обивка двери нижняя правая в сборе
Кол-во
1
?
34
14-6102511
Обивка двери нижняя левая в сборе
Кол-во
1
?
35
224622-П29
Винт М6-6gх10 ОСТ 37.001.130-81
Кол-во
0
?
36
240817-П29
Винт М4х10 ОСТ 37.001.188-81
Кол-во
6
?
37
14-6101556
Облицовка накладки порога
Кол-во
2
?
38
240620-П13
Винт 4Х18
Кол-во
8
?
39
14-6101552
Накладка порога
Кол-во
10
?
40
252269-П29
Шайба 6 ОСТ 37.001.145-75
Кол-во
4
?
41
14-6106094
Направляющая ограничителя в сборе
Кол-во
2
?
42
14-6106082
Ограничитель передней двери в сборе
Кол-во
2
?
43
24-6106086
Буфер ограничителя двери
Кол-во
2
?
44
14-6106080
Рычаг ограничителя передней двери в сборе
Кол-во
2
?
45
14-6101560
Облицовка порога
Кол-во
2
?
46
240623-П13
Винт 4Х30
Кол-во
12
?
47
14-6107126
Кант проема с уплотнителем в сборе
Кол-во
2
?
48
260009-П29
Палец 6х14 ОСТ 37.001.163-97
Кол-во
2
?
В наличии
40 ₽
49
258011-П29
Шплинт 2х10 ОСТ 37.001.171-93
Кол-во
2
?
50
14-6102270
Облицовка верхней обивки в сборе
Кол-во
2
?
51
14-6102290
Окантовка облицовки верхней обивки
Кол-во
2
?
52
24-6106060
Заглушка двери
Кол-во
12
?
53
201415-П29
Болт М6-6gх10 ОСТ 37.001.123-96
Кол-во
4
?
54
24-6106088
Кронштейн ограничителя
Кол-во
2
?
55
24-6106208
Крышка стопора
Кол-во
2
?
56
24-6106180-01
Стопор в сборе
Кол-во
2
?
57
24-6106182-10
Корпус стопора ограничителя
Кол-во
2
?
58
24-6106184
Ролик стопора ограничителя
Кол-во
4
?
59
24-6106206
Буфер стопора
Кол-во
4
?
60
260021-П29
Палец 6х42 ОСТ 37.001.163-97
Кол-во
4
?
61
293221-П29
Шайба 6
Кол-во
4
?
62
290749-П29
Болт М10Х1Х18
Кол-во
12
?
63
252136-П29
Шайба 10Т
Кол-во
12
?
64
201518-П29
Болт М10х1-6gх25
Кол-во
12
?
В наличии
150 ₽
В наличии
22 ₽
под заказ
цена по запросу
В наличии
130 ₽
В наличии
145 ₽
под заказ
цена по запросу
под заказ
цена по запросу
под заказ
цена по запросу
65
252156-П29
Шайба 10
Кол-во
12
?
66
А200-6106000
Петля передней двери правая в сборе (14-6106010)
Кол-во
2
?
67
А201-6106000
Петля передней двери левая в сборе (14-6106011)
Кол-во
2
?
68
14-6106364
Уплотнитель петли в сборе
Кол-во
4
?
Есть готовая заявка? Отправьте ее нам!
Если у вас уже есть список необходимых запчастей, загрузите файл с ним или укажите артикулы и названия запчастей в поле Комментарий, а также оставьте свои контактные данные. В течение рабочего дня мы оценим вашу заявку и отправим вам коммерческое предложение.
Отдел продаж

Если у вас уже есть готовая заявка на запасные части, то просто прикрепите файл с ней либо в поле «Комментарии» напишите артикулы и названия необходимых вам запчастей и оставьте контактные данные.

В течение рабочего дня мы выполним расчёт по вашей заявке и направим вам коммерческое предложение.

Только один файл.
Ограничение 128 МБ.
Допустимые типы: txt, rtf, pdf, doc, docx, odt, ppt, pptx, odp, xls, xlsx, ods.
пример: 89511234567 или +79511324567
Отправляя форму вы подтверждаете согласие с политикой обработки персональных данных.