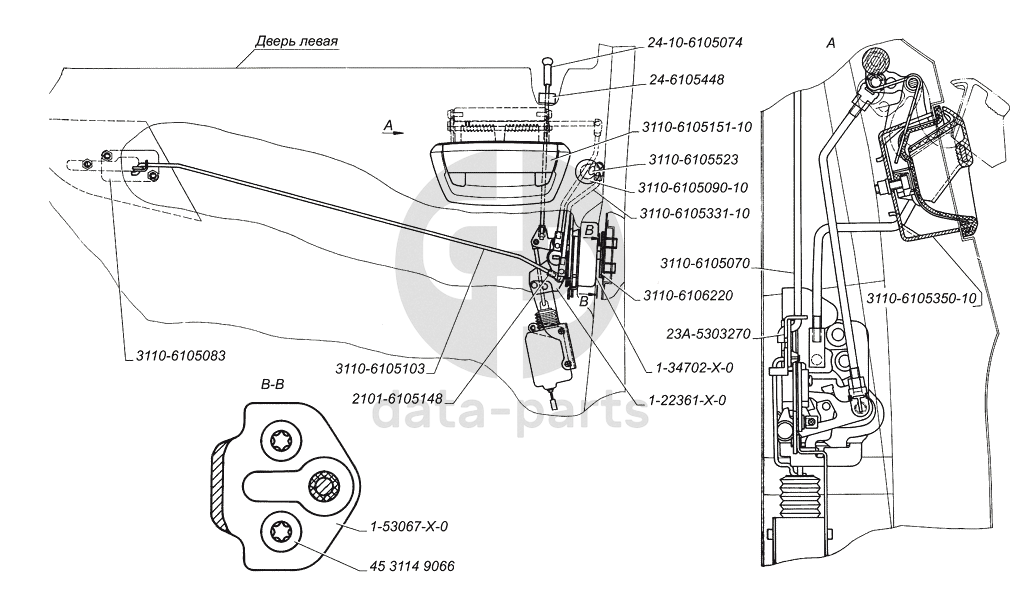
Установка замков и приводов замков передних дверей ГАЗ-31105

None
3110-6105090-10
Выключатель замка двери
Кол-во
0
?
None
24-10-6105074
Наконечник тяги выключения замка
Кол-во
0
?
None
2101-6105148
Наконечник тяги выключения замка двери
Кол-во
0
?
None
3110-6105523
Поводок кулачка с шаровым пальцем левый
Кол-во
0
?
None
3110-6105083
Привод замка внутренний с тягой левый
Кол-во
0
?
None
3110-6106220
Прокладка под фиксатор двери
Кол-во
0
?
None
3110-6105151-10
Ручка передней двери наружная левая
Кол-во
0
?
None
3110-6105350-10
Скоба крепления наружной ручки
Кол-во
0
?
None
3110-6105070
Тяга выключения замка передней двери
Кол-во
0
?
None
3110-6105331-10
Тяга выключения привода замка левая
Кол-во
0
?
None
3110-6105103
Тяга левая
Кол-во
0
?
None
24-6105448
Виброгаситель тяги
Кол-во
0
?
None
1-53067-Х-0
Фиксатор замка
Кол-во
0
?
None
1-34702-Х-0
Механизм замка двери запорный левый
Кол-во
0
?
None
45 3114 9066
Винт М8х25
Кол-во
0
?
None
23А-5303270
Зажим тяги
Кол-во
0
?
None
1-22361-Х-0
Механизм замка двери рычажный левый с моторедуктором
Кол-во
0
?
Есть готовая заявка? Отправьте ее нам!
Если у вас уже есть список необходимых запчастей, загрузите файл с ним или укажите артикулы и названия запчастей в поле Комментарий, а также оставьте свои контактные данные. В течение рабочего дня мы оценим вашу заявку и отправим вам коммерческое предложение.
Отдел продаж

Если у вас уже есть готовая заявка на запасные части, то просто прикрепите файл с ней либо в поле «Комментарии» напишите артикулы и названия необходимых вам запчастей и оставьте контактные данные.

В течение рабочего дня мы выполним расчёт по вашей заявке и направим вам коммерческое предложение.

Только один файл.
Ограничение 128 МБ.
Допустимые типы: txt, rtf, pdf, doc, docx, odt, ppt, pptx, odp, xls, xlsx, ods.
пример: 89511234567 или +79511324567
Отправляя форму вы подтверждаете согласие с политикой обработки персональных данных.