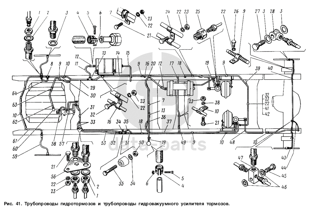
Трубопроводы гидротормозов и трубопроводы гидровакуумного усилителя тормозов ГАЗ-3307

1
250636-П29
Гайка М16х1,5-6Н ОСТ 37.001.124-93
Кол-во
1
?
2
252239-П29
Шайба 2-16 ОСТ 37.001.146-75
Кол-во
1
?
3
51-3506013
Прокладка
Кол-во
2
?
4
297406-П29
Хомут 20
Кол-во
2
?
5
220058-П29
Винт М4-6gх25 ОСТ 37.001.127-81
Кол-во
2
?
6
251082-П29
Гайка М4-6Н ОСТ 37.001.112-91
Кол-во
2
?
7
53-12-3552065
Скоба
Кол-во
1
?
8
51-3506018
Тройник
Кол-во
1
?
9
297484-П29
Скоба
Кол-во
1
?
10
51-3506044
Скоба
Кол-во
1
?
11
3307-3552076
Трубка от тройника к баллону передних тормозов в сборе
Кол-во
1
?
12
64-6784-07
Рукав
Кол-во
1
?
13
52-04-3552048
Тройник
Кол-во
1
?
14
3307-3552080
Трубка от тройника к баллону задних тормозов в сборе
Кол-во
1
?
15
3307-3552060
Трубка от баллона к камере усилителя передних тормозов в сборе
Кол-во
1
?
16
4301-3506171
Скоба
Кол-во
2
?
17
3307-3506062
Трубка
Кол-во
1
?
18
53-12-3506044
Скоба
Кол-во
1
?
19
52-1101078-01
Шланг сливного краника
Кол-во
1
?
20
3307-3552070
Трубка от тройника к усилителю передних тормозов в сборе
Кол-во
1
?
21
201455-П29
Болт М8-6gх18 ОСТ 37.001.123-96
Кол-во
1
?
22
252135-П2
Шайба 8Т ОСТ 37.001.115-75
Кол-во
1
?
В наличии
4 ₽
23
250510-П29
Гайка М8-6Н ОСТ 37.001.124-93
Кол-во
1
?
24
53-3552065
Скоба
Кол-во
1
?
25
280025-П29
Штуцер К3/8"
Кол-во
1
?
26
201452-П29
Болт М8-6gх12 ОСТ 37.001.123-96
Кол-во
1
?
27
51-3506012
Болт М12х1,25х28
Кол-во
1
?
28
51-3506045-01
Муфта соединительная
Кол-во
1
?
29
3307-3552036
Трубка от шланга к тройнику в сборе
Кол-во
1
?
30
3307-3506060
Трубка от усилителя передних тормозов к тройнику передних тормозов в сборе
Кол-во
1
?
31
20-3506046
Втулка защитная
Кол-во
2
?
32
201456-П29
Болт М8-6gх20 ОСТ 37.001.123-96
Кол-во
2
?
33
66-3506025-01
Шланг гибкий передних тормозов в сборе
Кол-во
2
?
34
66-06-35460310
Сигнализатор аварийный тормозов в сборе
Кол-во
1
?
35
3307-3506071
Трубка от сигнализатора к муфте в сборе
Кол-во
1
?
36
3307-3552032
Трубка от фильтра к тройнику в сборе
Кол-во
1
?
37
3307-3552066
Трубка от тройника к усилителю задних тормозов в сборе
Кол-во
1
?
38
252155-П2
Шайба 8Л ОСТ 37.001.115-75
Кол-во
1
?
39
3307-3552056
Трубка от баллона к камере усилителя задних тормозов в сборе
Кол-во
1
?
40
53-50-3506040
Трубка от тройника к правому заднему тормозу в сборе
Кол-во
1
?
41
297515-П29
Скоба
Кол-во
1
?
42
66-3724250
Прокладка уплотнительная
Кол-во
1
?
43
53-50-3506035
Трубка от тройника к левому заднему тормозу в сборе
Кол-во
1
?
44
51-3506025-02
Шланг гибкий тормозов в сборе
Кол-во
1
?
под заказ
цена по запросу
45
201518-П29
Болт М10х1-6gх25
Кол-во
1
?
В наличии
150 ₽
В наличии
22 ₽
под заказ
цена по запросу
В наличии
130 ₽
В наличии
145 ₽
под заказ
цена по запросу
под заказ
цена по запросу
под заказ
цена по запросу
46
45 9952 6311
Шайба 10,5
Кол-во
2
?
47
51-3506033
Тройник
Кол-во
1
?
48
53-12-3506030
Трубка от усилителя задних тормозов к шлангу в сборе
Кол-во
1
?
49
40Ю-3506094
Муфта
Кол-во
1
?
50
250508-П29
Гайка М6-6Н ОСТ 37.001.124-93
Кол-во
1
?
51
53-12-3506086
Трубка от сигнализатора к усилителю задних тормозов в сборе
Кол-во
1
?
52
3307-3506068
Трубка от шланга к сигнализатору в сборе
Кол-во
1
?
53
3307-3506184
Трубка от шланга к сигнализатору в сборе
Кол-во
1
?
54
45 9952 6092
Шайба 6,3
Кол-во
1
?
55
201428-П29
Болт М6-6gх40 ОСТ 37.001.123-96
Кол-во
1
?
56
4301-3506103
Кронштейн шлангов
Кол-во
1
?
57
3307-3506065
Трубка от вторичной полости главного цилиндра к шлангу в сборе
Кол-во
1
?
58
3307-3506073
Трубка от первичной полости главного цилиндра к шлангу в сборе
Кол-во
1
?
59
63-3506025-01
Шланг гибкий передних тормозов в сборе
Кол-во
2
?
60
66-3552042
Штуцер забора вакуума
Кол-во
1
?
61
3307-3506023
Трубка от тройника к левому переднему тормозу в сборе
Кол-во
1
?
62
3307-3552026
Трубка от штуцера к шлангу в сборе
Кол-во
1
?
63
22Б-8101792-01
Рукав
Кол-во
1
?
64
53-12-3506020
Трубка от тройника к правому переднему тормозу в сборе
Кол-во
1
?
Есть готовая заявка? Отправьте ее нам!
Если у вас уже есть список необходимых запчастей, загрузите файл с ним или укажите артикулы и названия запчастей в поле Комментарий, а также оставьте свои контактные данные. В течение рабочего дня мы оценим вашу заявку и отправим вам коммерческое предложение.
Отдел продаж

Если у вас уже есть готовая заявка на запасные части, то просто прикрепите файл с ней либо в поле «Комментарии» напишите артикулы и названия необходимых вам запчастей и оставьте контактные данные.

В течение рабочего дня мы выполним расчёт по вашей заявке и направим вам коммерческое предложение.

Только один файл.
Ограничение 128 МБ.
Допустимые типы: txt, rtf, pdf, doc, docx, odt, ppt, pptx, odp, xls, xlsx, ods.
пример: 89511234567 или +79511324567
Отправляя форму вы подтверждаете согласие с политикой обработки персональных данных.