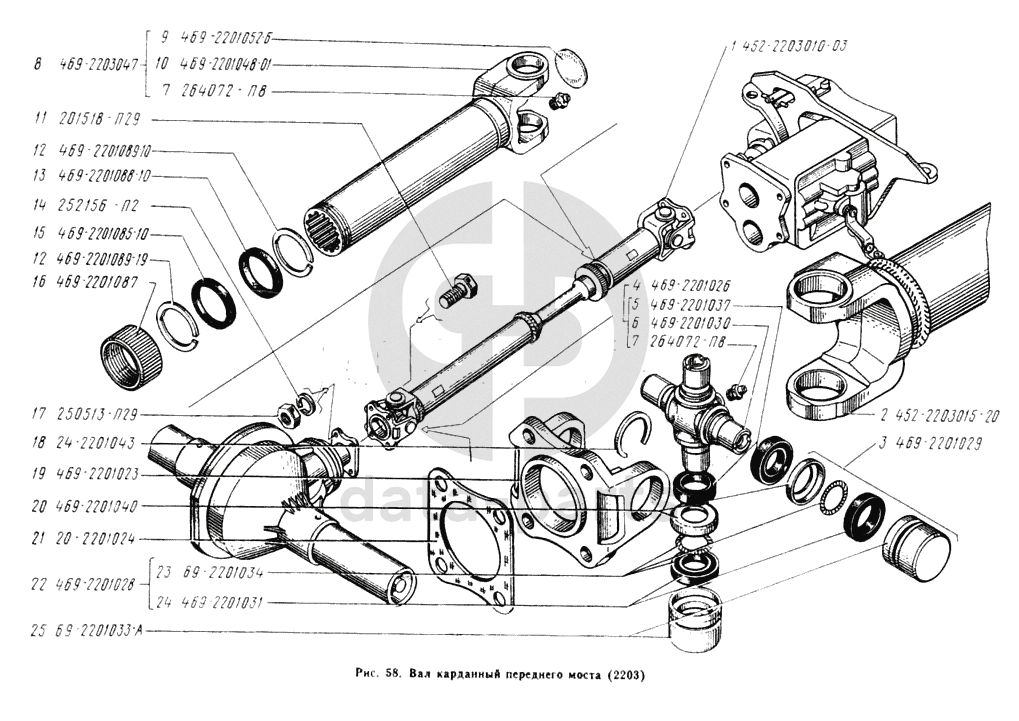
Вал карданный переднего моста УАЗ 3303

%
1
452-2203010-03
Вал карданный переднего моста
Кол-во
1
?
2
452-2203015-20
Вал карданный (Состоит из трубы 69-2203018-В, шлицованного конца 469-2201020-10 и вилки 469-2201032)
Кол-во
1
?
3
469-2201029
Роликоподшипник игольчатый карданного вала задзаднего моста с манжетой в сборе
Кол-во
8
?
4
469-2201026
Крестовина карданного вала переднего моста с уплотнителем в сборе
Кол-во
2
?
5
469-2201037
Уплотнитель подшипника карданного вала заднего моста
Кол-во
8
?
6
469-2201030
Крестовина карданного вала заднего моста в сборе
Кол-во
2
?
7
264072-П8
Масленка 1,1
Кол-во
3
?
8
469-2203047
Вилка скользящая карданного вала переднего моста с заглушкой в сборе
Кол-во
1
?
9
469-2201052-Б
Заглушка скользящей вилки
Кол-во
1
?
10
469-2201048-01
Вилка скользящая карданного вала заднего моста
Кол-во
1
?
11
201518-П29
Болт М10х1х25 крепления вала заднего моста
Кол-во
8
?
В наличии
150 ₽
В наличии
22 ₽
под заказ
цена по запросу
В наличии
130 ₽
В наличии
145 ₽
под заказ
цена по запросу
под заказ
цена по запросу
под заказ
цена по запросу
12
469-2201089-10
Кольцо сальника скользящей иилки карданного иала заднего моста
Кол-во
2
?
13
469-2201088-10
Кольцо уплотнительное сальника скользящей вилки карданного вала заднего моста внутреннее
Кол-во
1
?
14
252156-П2
Шайба 10 пружинная
Кол-во
8
?
15
469-2201085-10
Кольцо уплотнительнос сальника скользящей вилки карданного вала заднего моста наружное
Кол-во
1
?
16
469-2201087
Обойма сальника скользящей вилки карданного вала заднего моста
Кол-во
1
?
17
252513-П29
Гайка М10х1
Кол-во
8
?
18
24-2201043
Кольцо стопорное роликоподшипника
Кол-во
8
?
19
469-2201023
Фланец карданного вала заднего моста
Кол-во
2
?
20
469-2201040
Кольцо защитное манжеты крестовины карданного вала заднего моста
Кол-во
8
?
21
20-2201024
Прокладка фланца карданного вала толщиной 0,3 мм
Кол-во
2
?
22
469-2201028
Манжета крестовины карданного вала заднего моста с пружинен в сборе
Кол-во
8
?
23
69-2201034
Пружина манжеты крестовины карданного вала заднего моста
Кол-во
8
?
24
469-2201031
Манжета крестовины карданного вала заднего моста
Кол-во
8
?
25
69-2201033-А
Роликоподшипник игольчатый карданного вала заднего моста
Кол-во
8
?
Есть готовая заявка? Отправьте ее нам!
Если у вас уже есть список необходимых запчастей, загрузите файл с ним или укажите артикулы и названия запчастей в поле Комментарий, а также оставьте свои контактные данные. В течение рабочего дня мы оценим вашу заявку и отправим вам коммерческое предложение.
Отдел продаж

Если у вас уже есть готовая заявка на запасные части, то просто прикрепите файл с ней либо в поле «Комментарии» напишите артикулы и названия необходимых вам запчастей и оставьте контактные данные.

В течение рабочего дня мы выполним расчёт по вашей заявке и направим вам коммерческое предложение.

Только один файл.
Ограничение 128 МБ.
Допустимые типы: txt, rtf, pdf, doc, docx, odt, ppt, pptx, odp, xls, xlsx, ods.
пример: 89511234567 или +79511324567
Отправляя форму вы подтверждаете согласие с политикой обработки персональных данных.