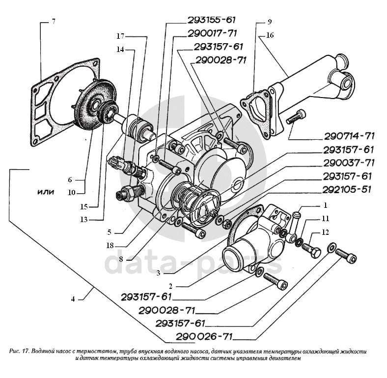
Водяной насос с термостатом, труба впускная водяного насоса, датчик указателя температуры охлаждающей жидкости и датчик температуры охлаждающей жидкости системы управления двигателем ГАЗ-560

1
560.1306028
Угольник поворотный со штуцером
Кол-во
0
?
2
560.1306032
Крышка термостата (2178872/0)
Кол-во
0
?
3
560.1306034
Прокладка крышки термостата (2203523/1)
Кол-во
0
?
4
560.1307008
Водяной насос с термостатом (2178020/3)
Кол-во
0
?
5
560.1307015
Корпус водяного насоса (2173604/3)
Кол-во
0
?
6
560.1307030
Крыльчатка водяного насоса (2172158/3)
Кол-во
0
?
7
560.1307048
Прокладка водяного насоса (2177329/1)
Кол-во
0
?
8
560.1307054
Шкив привода водяного насоса (2178021 /О)
Кол-во
0
?
9
560.1307106
Прокладка впускной трубы водяного насоса (2177512/0)
Кол-во
0
?
10
560.1307032
Крыльчатка водяного насоса (2172158/1)
Кол-во
0
?
11
560.3548277
Прокладка 10х14
Кол-во
0
?
12
560.3548276
Болт-штуцер 10
Кол-во
0
?
13
2172739/0
Подшипник водяного насоса (560.1307027ДС)
Кол-во
0
?
14
2174623/3
Датчик температуры охлаждающей жидкости системы управления двигателем (560.3761208-10)
Кол-во
0
?
15
2177653/1
Сальник водяного насоса (560.1307013ДС)
Кол-во
0
?
16
560.1307105-10
Труба впускная (2203490/0)
Кол-во
0
?
17
ТМ106-10
Датчик указателя температуры охлаждающей жидкости (ТМ 106-3808000-10)
Кол-во
0
?
18
ТС107-01
Термостат с твердым наполнителем (ТС107-1306100-01)
Кол-во
0
?
None
292105-51
Гайка М8 (3871252/0)
Кол-во
0
?
None
290037-71
Болт М8х80 (3862478/0)
Кол-во
0
?
None
290714-71
Болт М6х25 (9000275/0)
Кол-во
0
?
None
293157-61
Шайба 8,4
Кол-во
0
?
None
290017-71
Болт М6х30 (3862332/0)
Кол-во
0
?
None
290028-71
Болт М8х30 (3862433/0)
Кол-во
0
?
None
293155-61
Шайба 6,4
Кол-во
0
?
None
290026-71
Болт М8х20 (9000063/0)
Кол-во
0
?
Есть готовая заявка? Отправьте ее нам!
Если у вас уже есть список необходимых запчастей, загрузите файл с ним или укажите артикулы и названия запчастей в поле Комментарий, а также оставьте свои контактные данные. В течение рабочего дня мы оценим вашу заявку и отправим вам коммерческое предложение.
Отдел продаж

Если у вас уже есть готовая заявка на запасные части, то просто прикрепите файл с ней либо в поле «Комментарии» напишите артикулы и названия необходимых вам запчастей и оставьте контактные данные.

В течение рабочего дня мы выполним расчёт по вашей заявке и направим вам коммерческое предложение.

Только один файл.
Ограничение 128 МБ.
Допустимые типы: txt, rtf, pdf, doc, docx, odt, ppt, pptx, odp, xls, xlsx, ods.
пример: 89511234567 или +79511324567
Отправляя форму вы подтверждаете согласие с политикой обработки персональных данных.