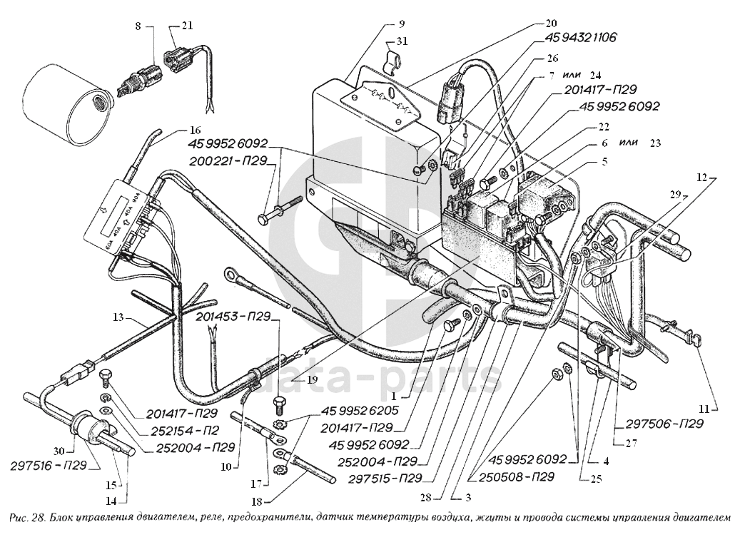
Блок управления двигателем, реле, предохранители, датчик температуры воздуха, жгуты и провода системы управления двигателем ГАЗ-560

1
330242-3724015
Жгут 1 (вх. в 2705-3724103-122)
Кол-во
0
?
2
330242-3761580-10
Жгут системы управления двигателем
Кол-во
0
?
3
330242-3761580-10
Жгут системы управления двигателем
Кол-во
0
?
4
560.3761601
Жгут свечей запальных
Кол-во
0
?
5
11412
Реле системы управления двигателем
Кол-во
0
?
6
12156
Предохранитель системы управления двигателем
Кол-во
0
?
7
11345
Предохранитель системы управления двигателем
Кол-во
0
?
8
2174425/2
Датчик температуры воздуха системы управления двигателем С330242-3761204-10ДС)
Кол-во
0
?
9
2176814/2
Блок управления
Кол-во
0
?
10
3105-3724527
Поясок
Кол-во
0
?
11
3105-3724528
Хомут
Кол-во
0
?
12
3302-3724076-10
Провод "массы" реле стартера
Кол-во
0
?
13
330242-3724015
Жгут 1 (вх. в 2705-3724103-122)
Кол-во
0
?
14
330242-3724050
Провод 50 от АБ к стартеру
Кол-во
0
?
15
330242-3724107
Провод стартера
Кол-во
0
?
16
330242-3724144
Провод от АБ к блоку предохранителей
Кол-во
0
?
17
330242-3724376-10
Провод от выключателя батареи на "массу"
Кол-во
0
?
18
330242-3724551-10
Провод от кронштейна стартера на "массу"
Кол-во
0
?
19
330242-3761068
Накладка
Кол-во
0
?
20
330242-3761190-20
Кронштейн
Кол-во
0
?
21
330242-3761580-10
Жгут системы управления двигателем
Кол-во
0
?
22
3493773/0
Реле системы управления двигателем
Кол-во
0
?
23
35.3722
Предохранитель (5А)
Кол-во
0
?
24
35.3722-02
Предохранитель системы управления двигателем
Кол-во
0
?
25
51-3724093
Скоба крепления пучка проводов
Кол-во
0
?
26
562.3761217
Держатель
Кол-во
0
?
27
5903-3724720
Прокладка
Кол-во
0
?
28
66-3724250
Прокладка уплотнительная
Кол-во
0
?
29
711.3747-02
Реле стартера (711.3747000-02)
Кол-во
0
?
30
А-14552
Втулка
Кол-во
0
?
31
М-14586
Скоба
Кол-во
0
?
None
252004-П29
Шайба 6 ОСТ 37.001.144-96
Кол-во
0
?
None
45 9432 1106
Винт М6-6gх10
Кол-во
0
?
None
297506-П29
Скоба 16
Кол-во
0
?
None
297515-П29
Скоба
Кол-во
0
?
None
200221-П29
Болт М6-6gх60
Кол-во
0
?
None
252154-П2
Шайба 6Л ОСТ 37.001.115-75
Кол-во
0
?
None
250508-П29
Гайка М6-6Н ОСТ 37.001.124-93
Кол-во
0
?
None
297516-П29
Скоба 24
Кол-во
0
?
None
45 9952 6205
Шайба 8
Кол-во
0
?
None
45 9952 6092
Шайба 6
Кол-во
0
?
None
201417-П29
Болт М6-6gх14 ОСТ 37.001.123-96
Кол-во
0
?
None
201453-П29
Болт М8-6gх14
Кол-во
0
?
В наличии
5 ₽
Есть готовая заявка? Отправьте ее нам!
Если у вас уже есть список необходимых запчастей, загрузите файл с ним или укажите артикулы и названия запчастей в поле Комментарий, а также оставьте свои контактные данные. В течение рабочего дня мы оценим вашу заявку и отправим вам коммерческое предложение.
Отдел продаж

Если у вас уже есть готовая заявка на запасные части, то просто прикрепите файл с ней либо в поле «Комментарии» напишите артикулы и названия необходимых вам запчастей и оставьте контактные данные.

В течение рабочего дня мы выполним расчёт по вашей заявке и направим вам коммерческое предложение.

Только один файл.
Ограничение 128 МБ.
Допустимые типы: txt, rtf, pdf, doc, docx, odt, ppt, pptx, odp, xls, xlsx, ods.
пример: 89511234567 или +79511324567
Отправляя форму вы подтверждаете согласие с политикой обработки персональных данных.